Auto Electricity and Electronics, 6th Edition
Page412(412 of 768)
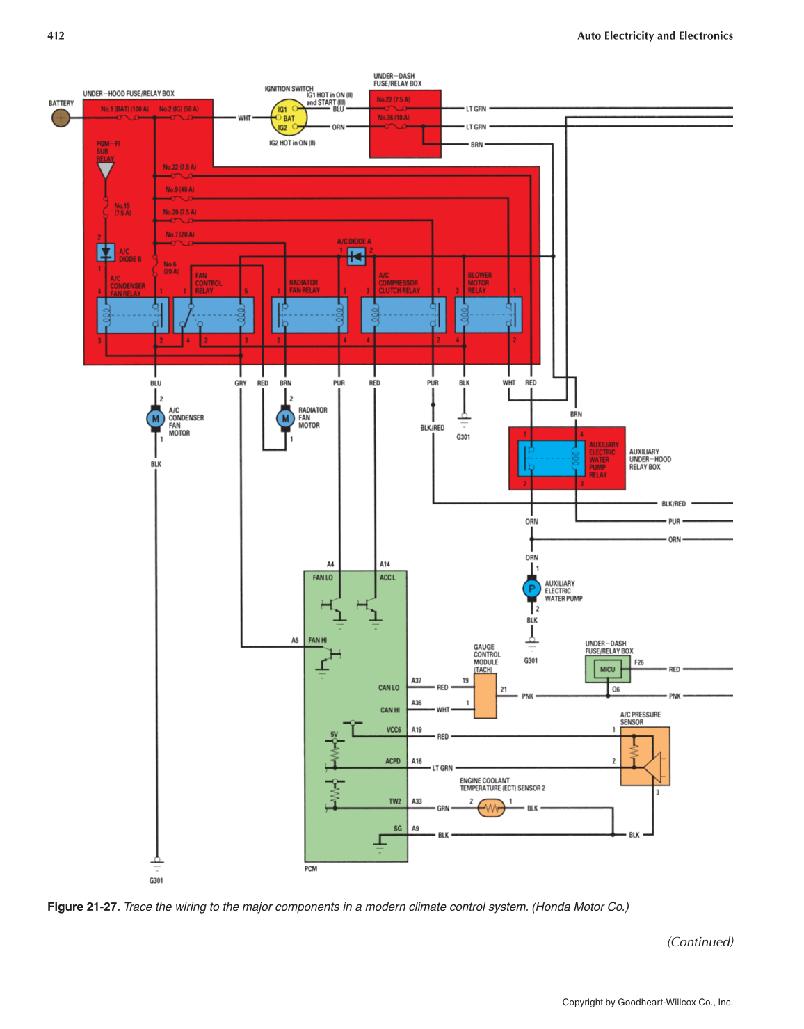
412 Auto Electricity and Electronics Copyright by Goodheart-Willcox Co., Inc. Figure 21-27. Trace the wiring to the major components in a modern climate control system. (Honda Motor Co.) (Continued)