136 Auto Engine Performance and Driveability
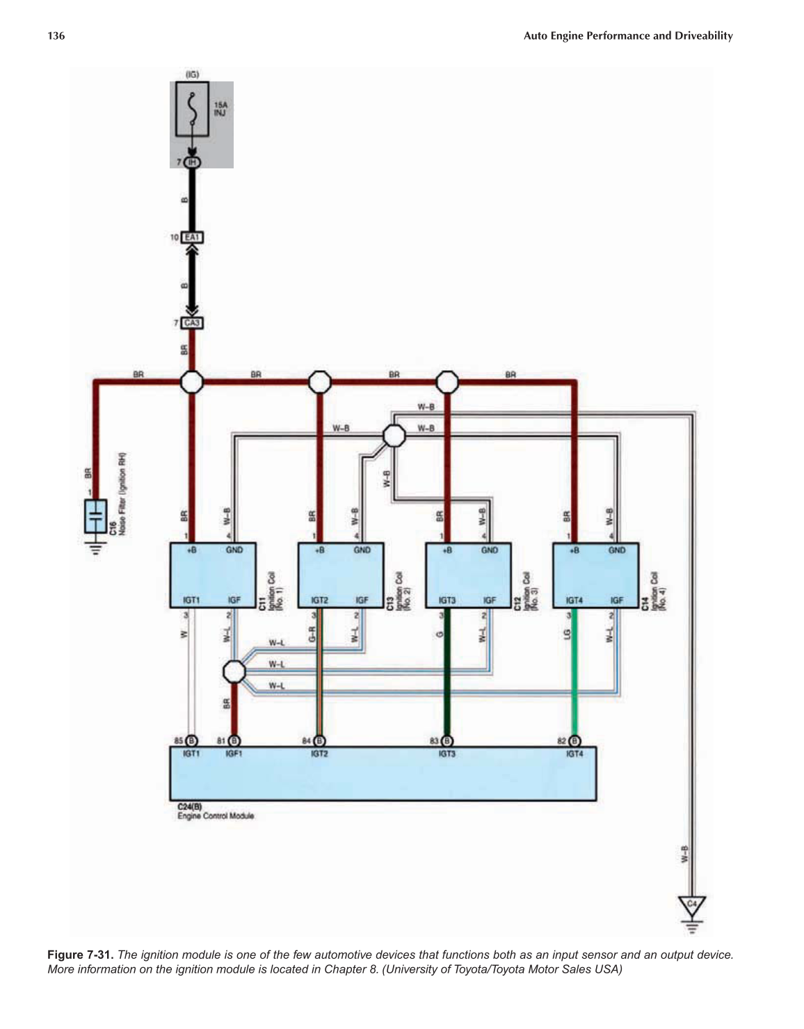
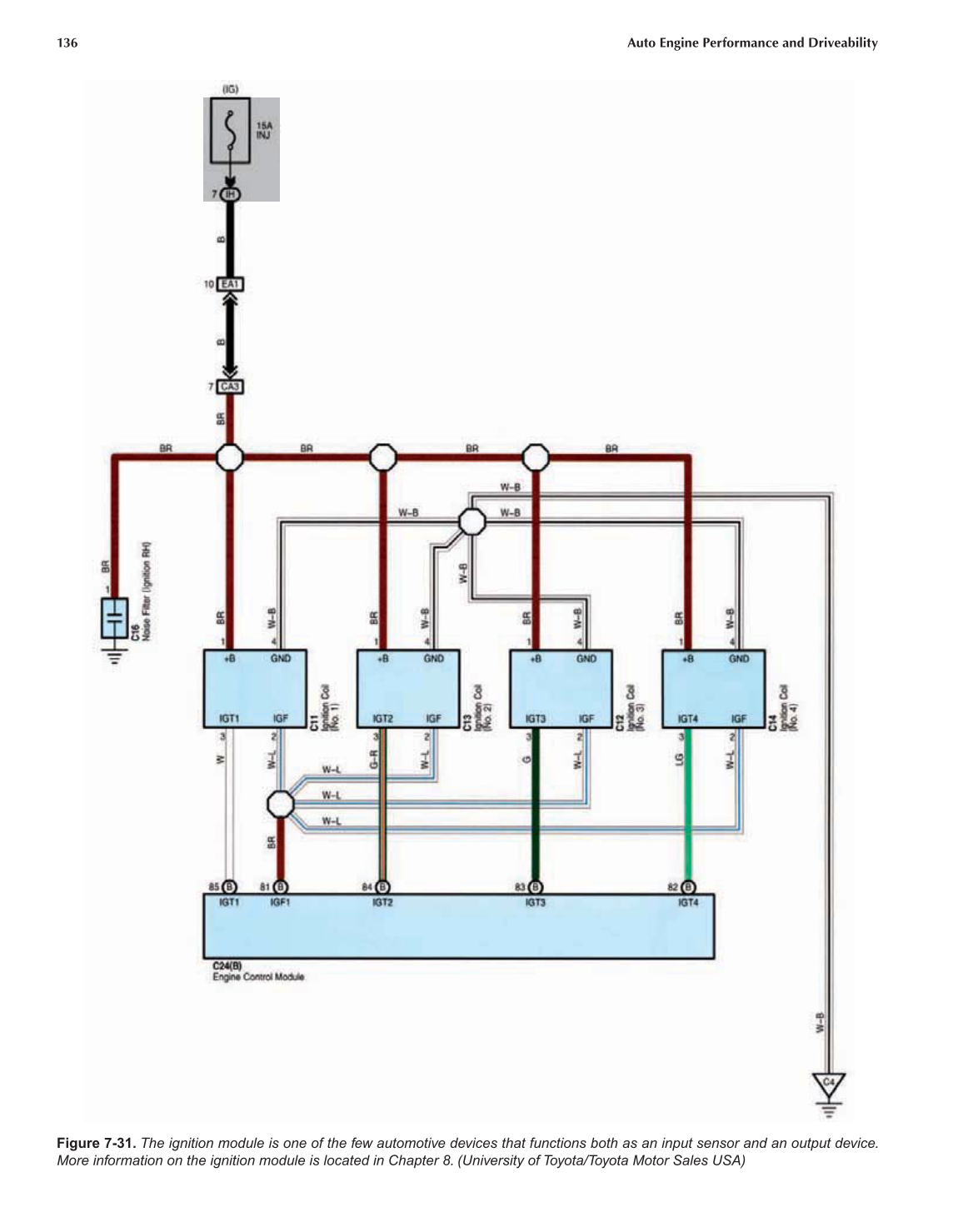
Figure 7-31. The ignition module is one of the few automotive devices that functions both as an input sensor and an output device.
More information on the ignition module is located in Chapter 8. (University of Toyota/Toyota Motor Sales USA)
Previous Page Next Page