136 Auto Engine Performance and Driveability
Copyright by Goodheart-Willcox Co., Inc.
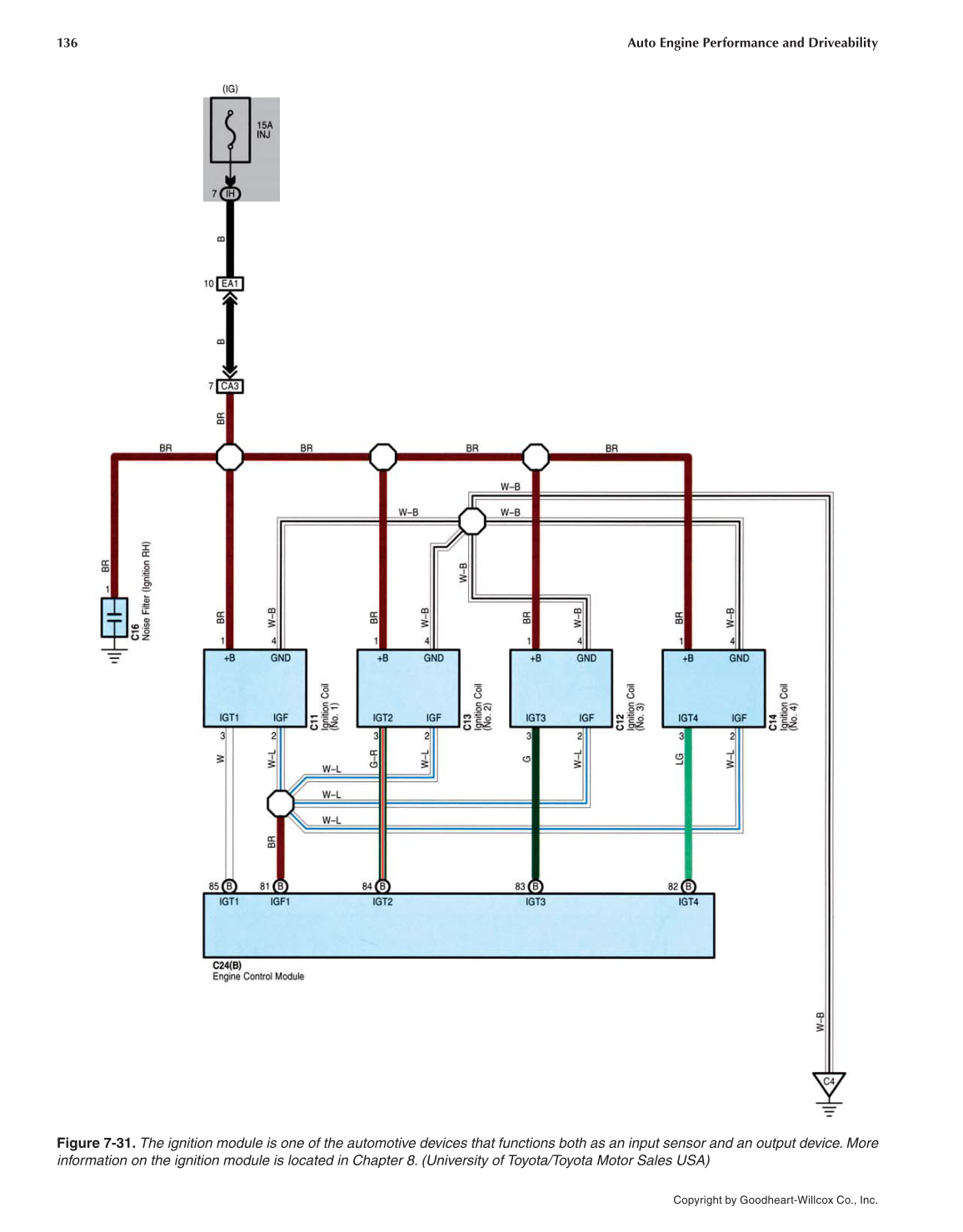
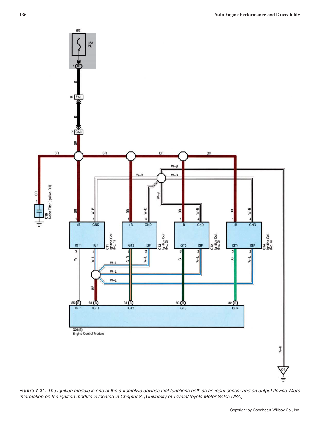
Figure 7-31. The ignition module is one of the automotive devices that functions both as an input sensor and an output device. More
information on the ignition module is located in Chapter 8. (University of Toyota/Toyota Motor Sales USA)
Previous Page Next Page