Skip to content
My Bookshelf
Drafting & Design, 7th Edition
Page
127
(
127
of
912
)
GO
Chapter
4
CAD
Commands
and
Functions
127
Intermediate
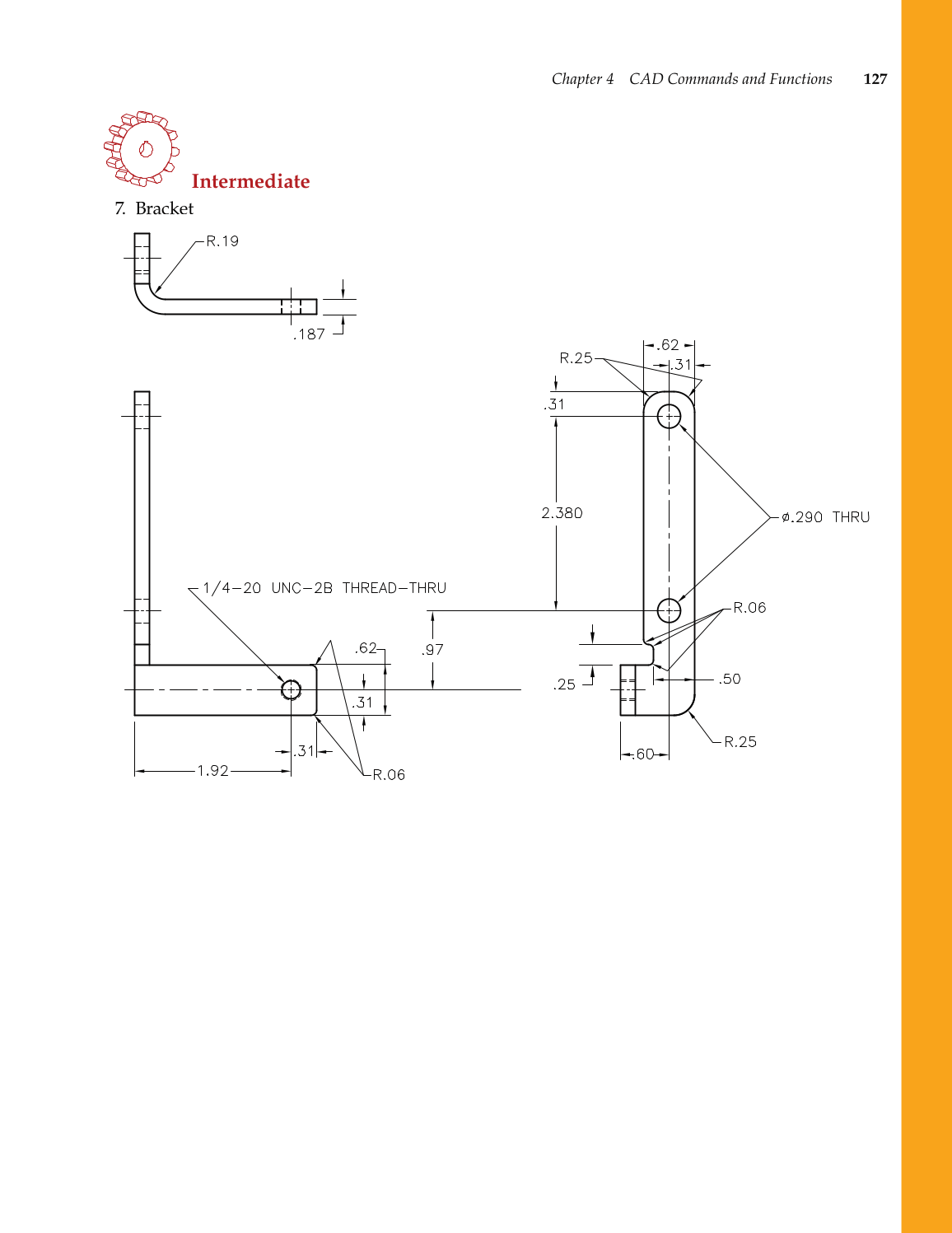
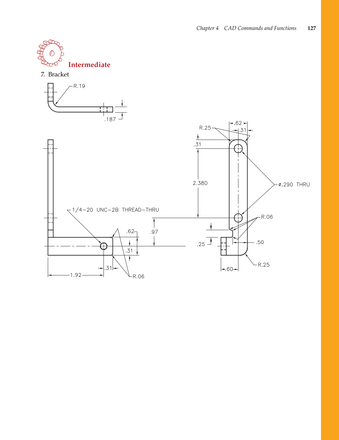
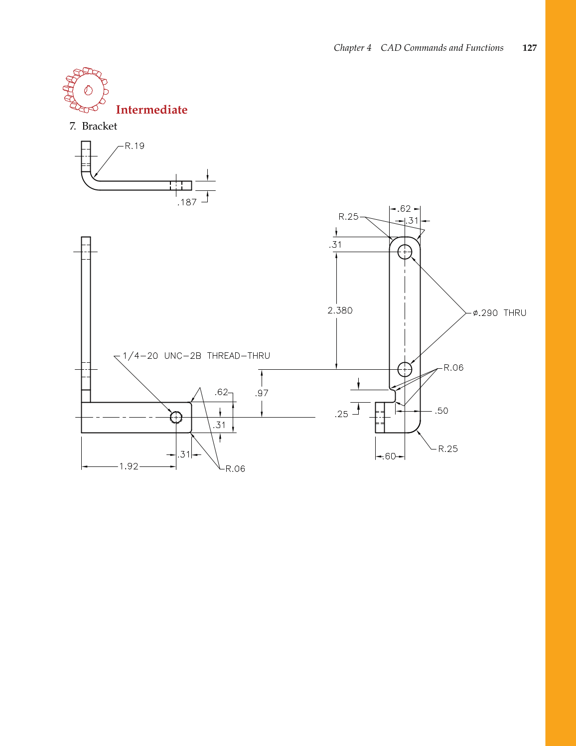
7.
Bracket
Previous Page
Next Page
Resources and Downloads
Help
Close
This book
Author, Example
Collection: Technical / Trades / Technology
CAD / Drafting
All books
GO
Zoom In
Zoom Out
Contents
Resources
Extract
Help
Printable
Destination page number
Search scope
Search Text