Unit 10 Foundation Prints 177
SECTION VIEW
PLAN VIEW
Auger
cast
pile
A
B
Column
Pile
cap
Building load
Column
Pile cap
Pile
socketed
into rock
for support
Earth
friction
to resist
loads
Auger
cast
pile
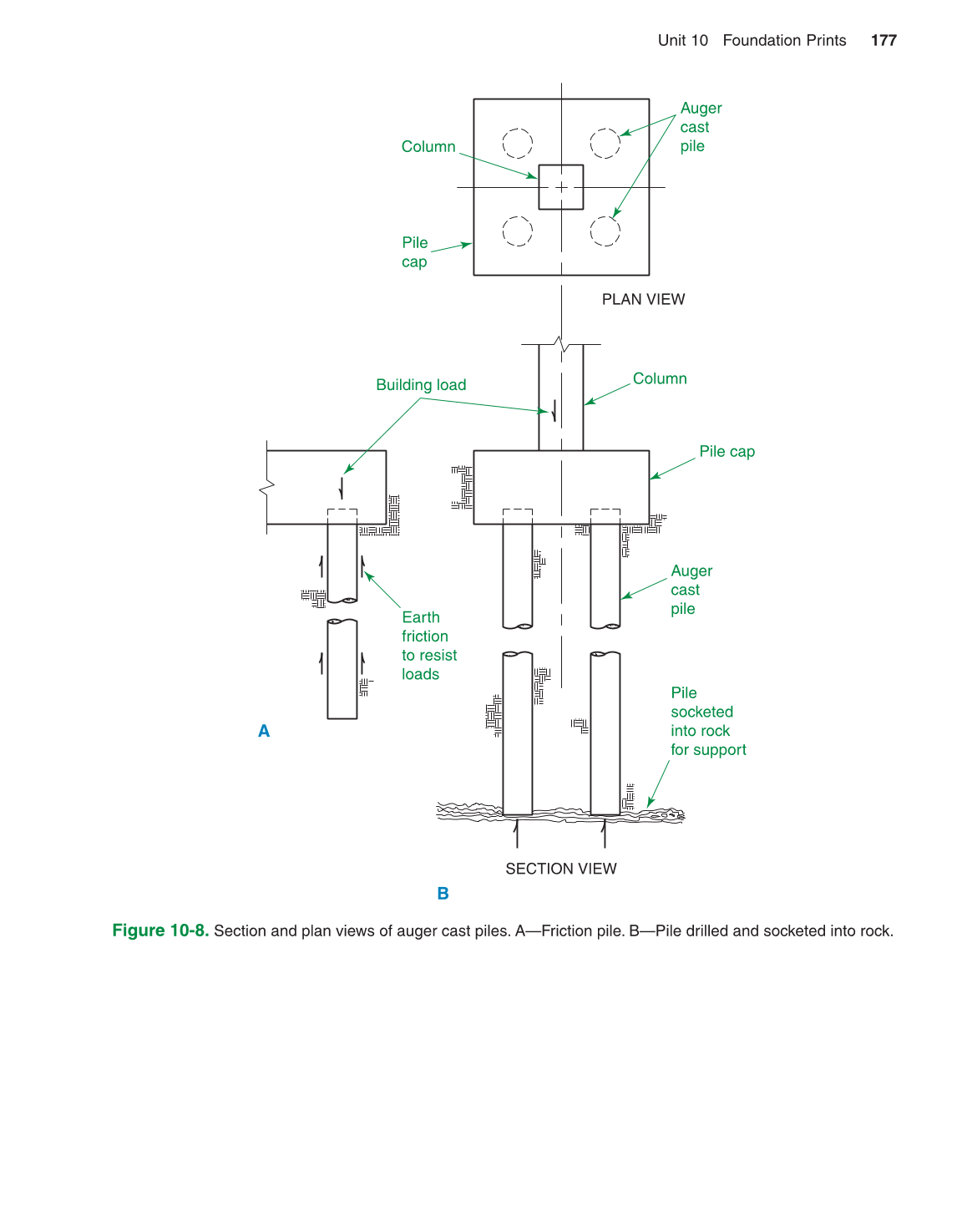
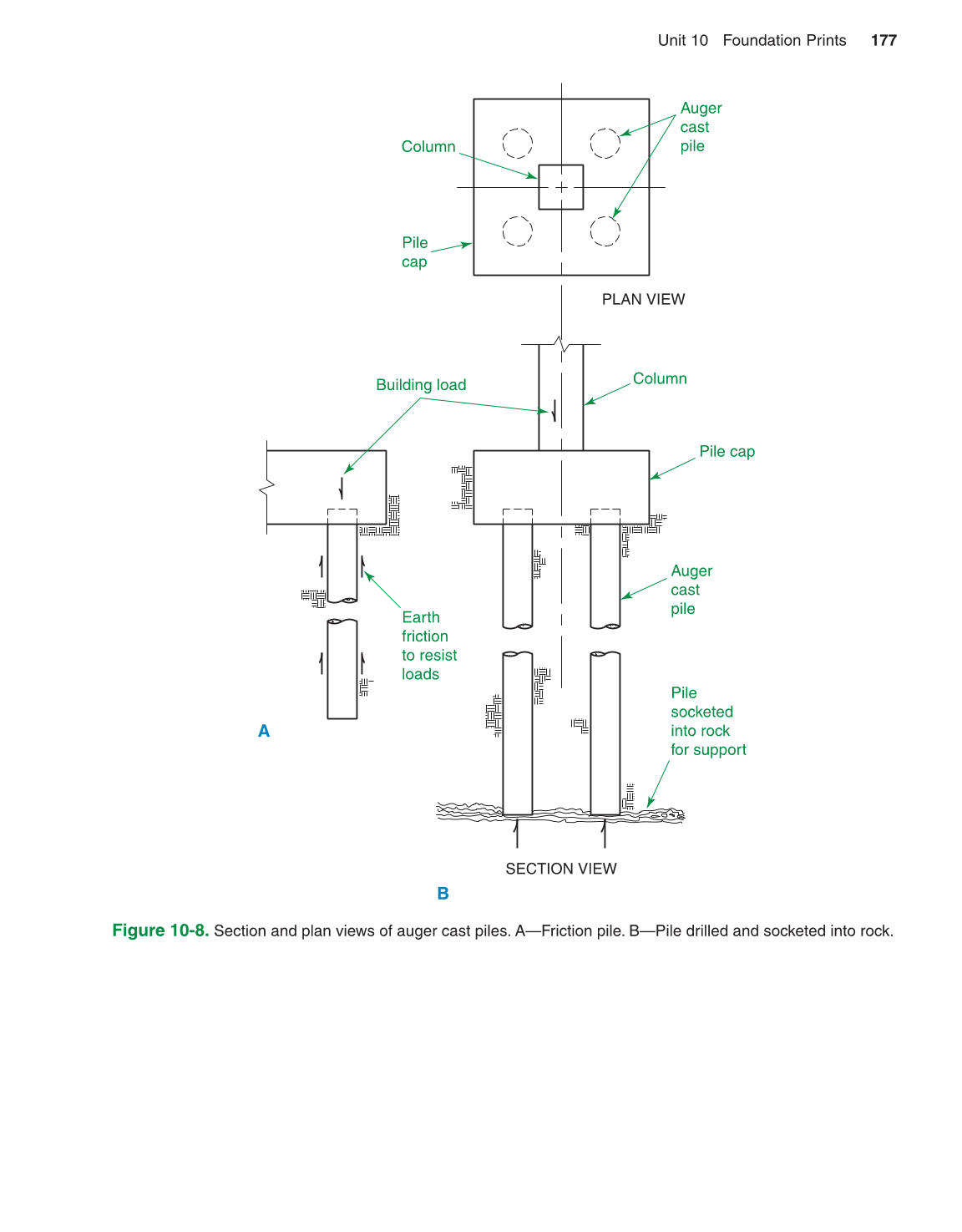
Figure 10-8.
Section and plan views of auger cast piles. A—Friction pile. B—Pile drilled and socketed into rock.
Previous Page Next Page