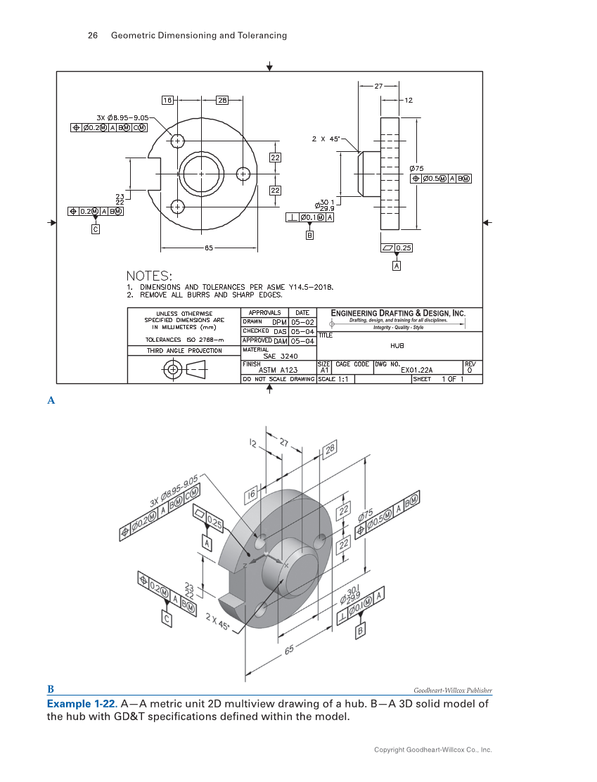
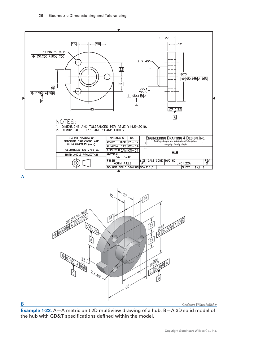
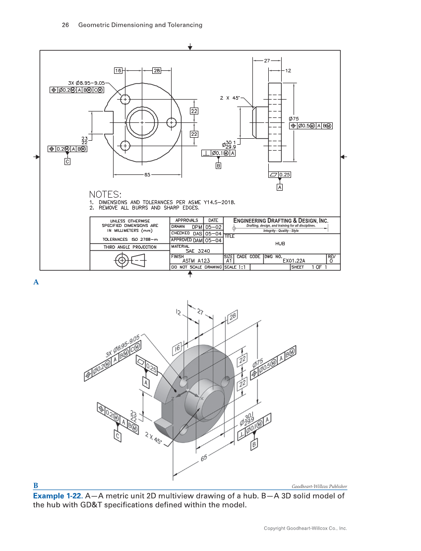
26  Geometric  Dimensioning  and  Tolerancing  Copyright  Goodheart-Willcox  Co.,  Inc.  Drafting,  design,  and  training  for  all  disciplines.  ENGINEERING  DRAFTING  &  DESIGN,  INC.  Integrity  -  Quality  -  Style  A  Goodheart-Willcox  Publisher  Example  1-22.  A—A  metric  unit  2D  multiview  drawing  of  a  hub.  B—A  3D  solid  model  of  the  hub  with  GD&T  specifications  defined  within  the  model.  B