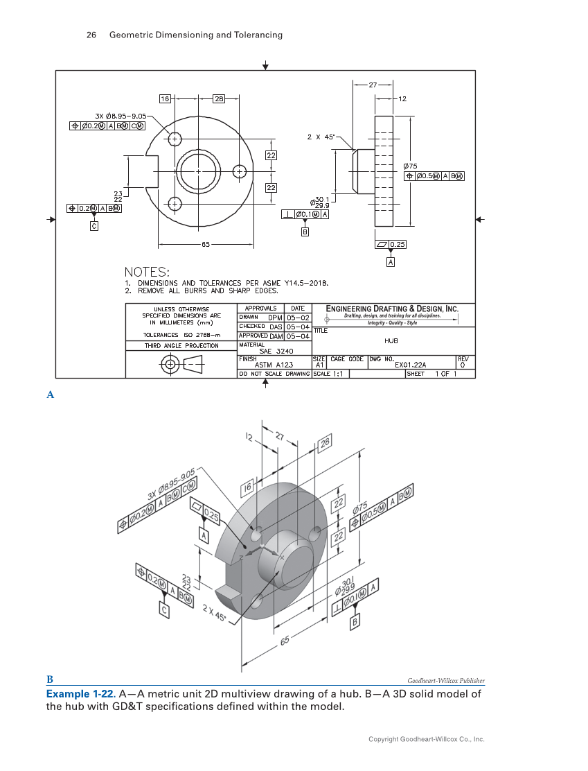
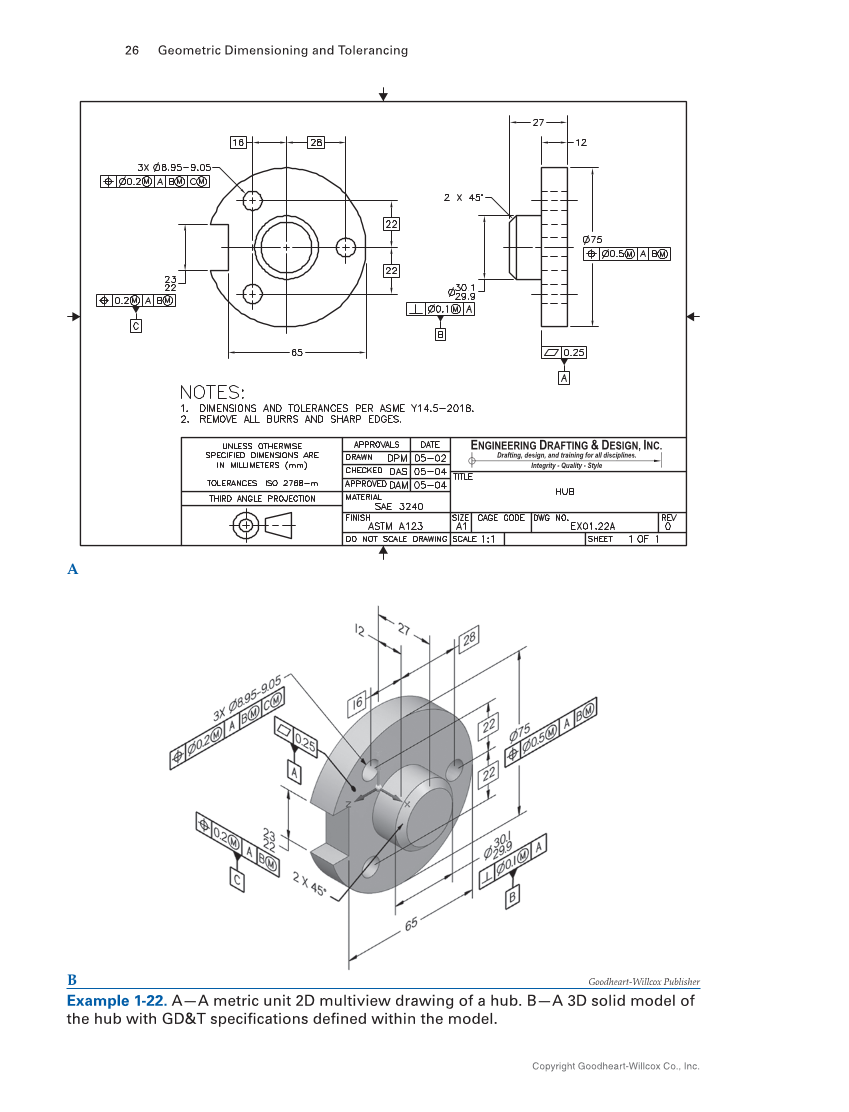
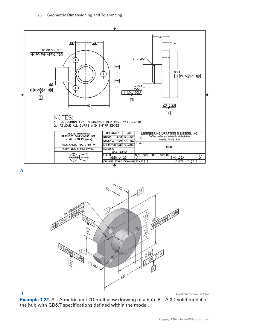
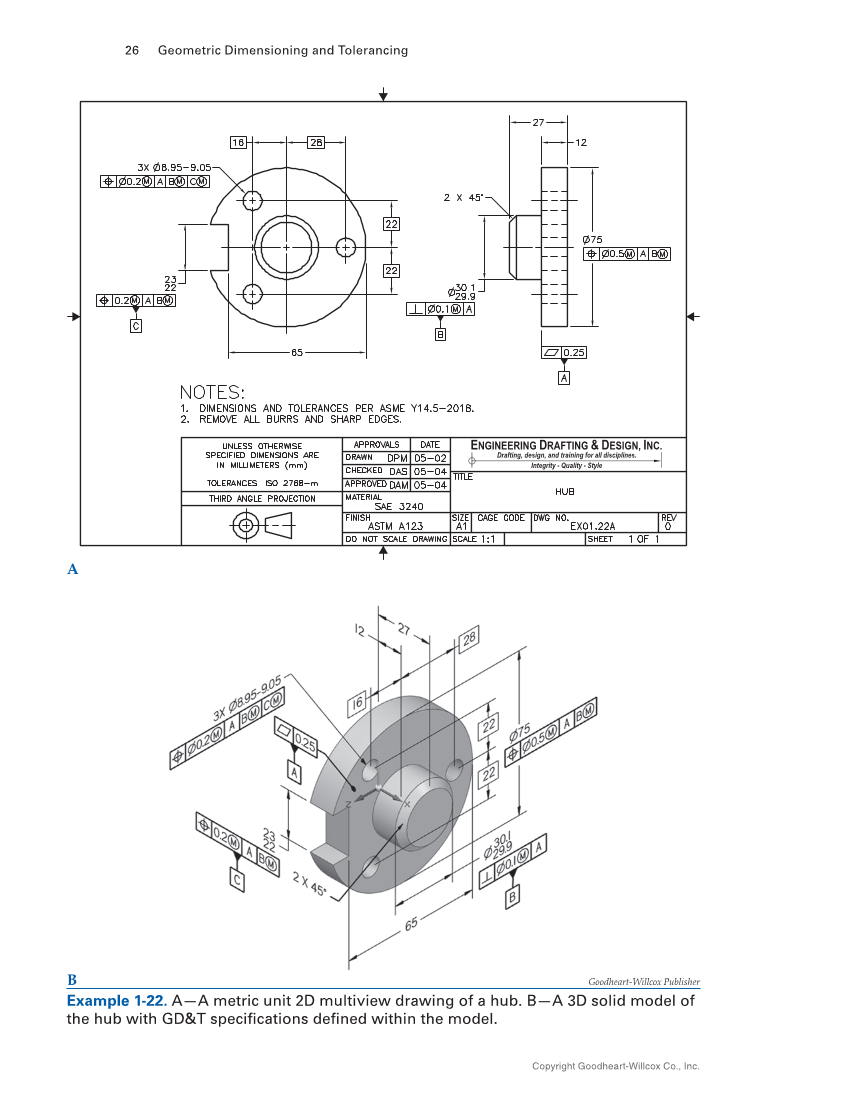
26 Geometric Dimensioning and Tolerancing Copyright Goodheart-Willcox Co., Inc. Drafting, design, and training for all disciplines. ENGINEERING DRAFTING & DESIGN, INC. Integrity - Quality - Style A Goodheart-Willcox Publisher Example 1-22. A—A metric unit 2D multiview drawing of a hub. B—A 3D solid model of the hub with GD&T specifications defined within the model. B
Previous Page Next Page