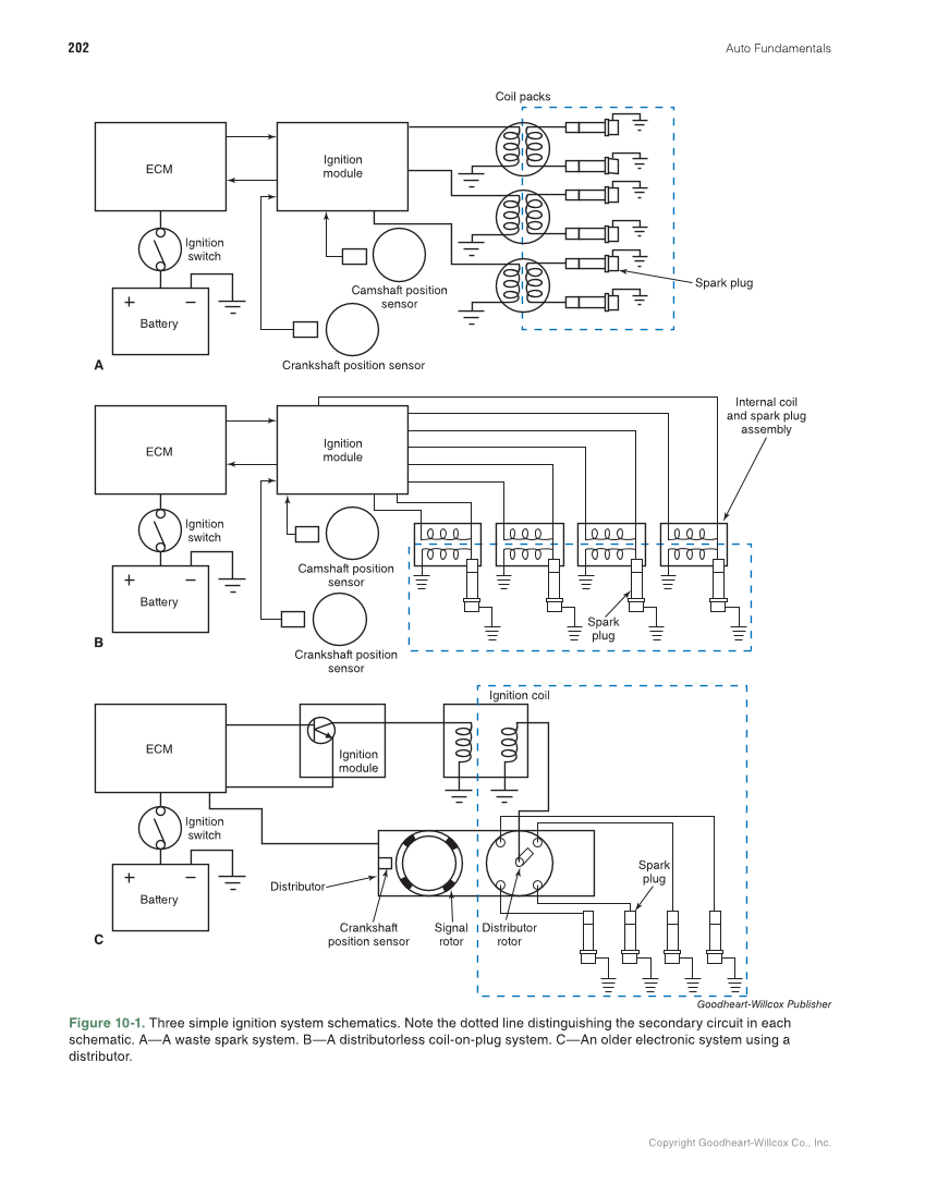
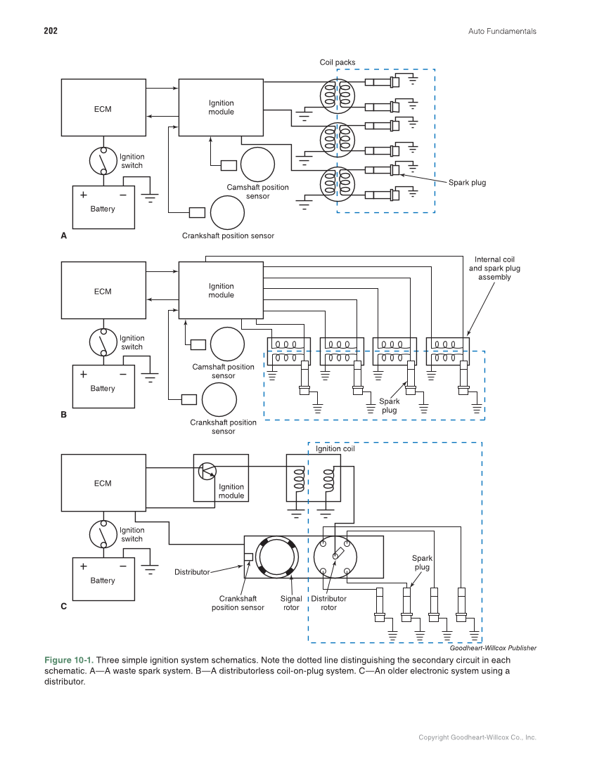
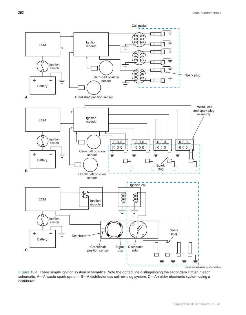
Copyright Goodheart-Willcox Co., Inc. Auto Fundamentals 202 Coil packs Spark plug Spark plug Spark plug ECM Battery Camshaft position sensor Crankshaft position sensor Ignition module ECM Battery Camshaft position sensor Crankshaft position sensor Ignition module Ignition switch ECM Battery Internal coil and spark plug assembly Distributor Crankshaft position sensor Signal rotor Distributor rotor Ignition coil A B C Ignition switch Ignition module Ignition switch Goodheart-Willcox Publisher Figure 10-1. Three simple ignition system schematics. Note the dotted line distinguishing the secondary circuit in each schematic. A—A waste spark system. B—A distributorless coil-on-plug system. C—An older electronic system using a distributor.
Previous Page Next Page