128 Section 1 Introduction to Drafting
Intermediate
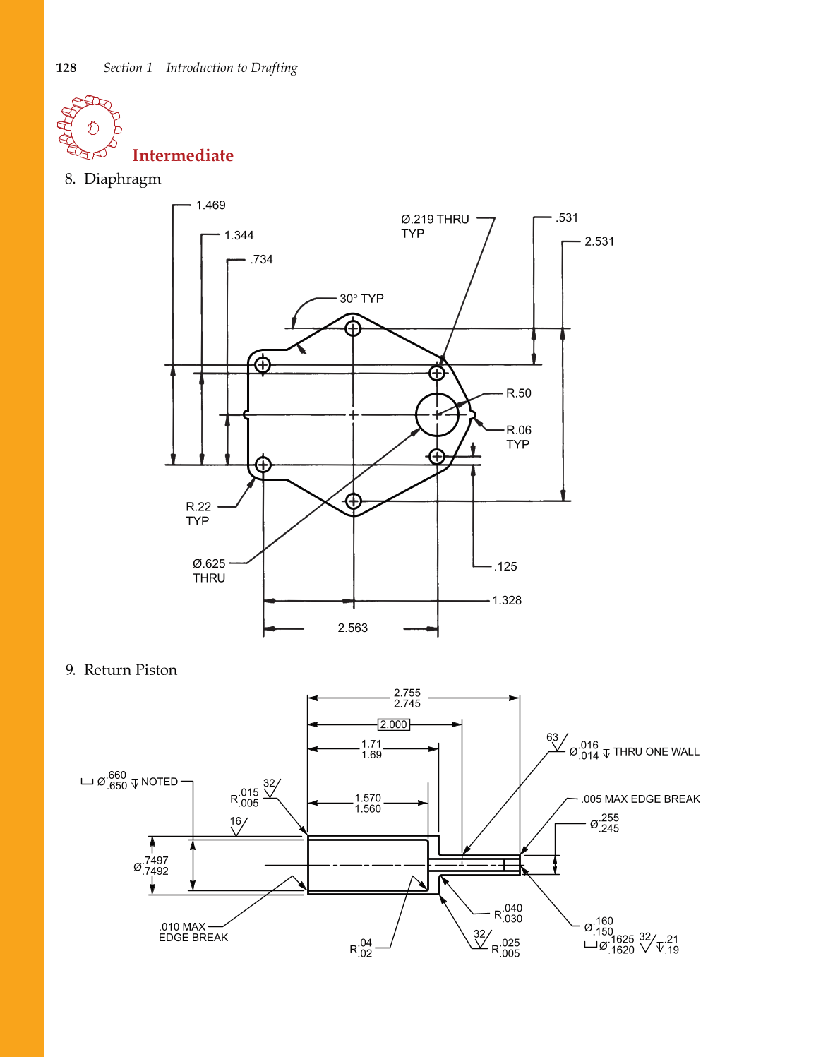
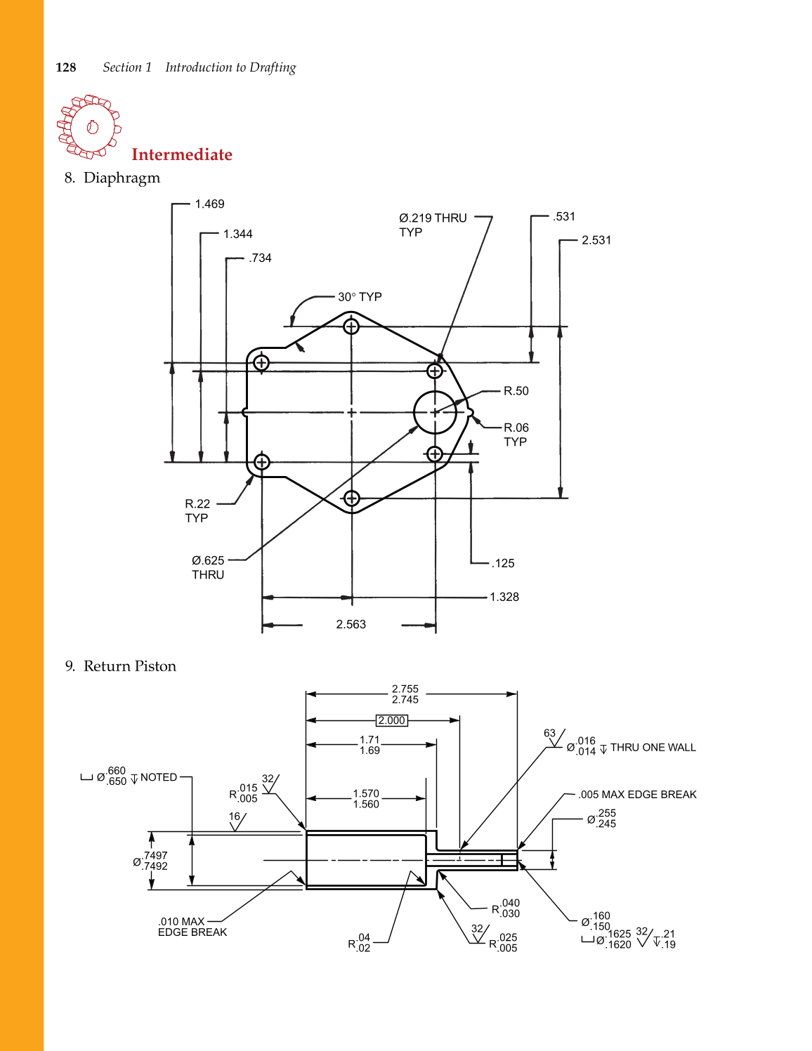
8. Diaphragm
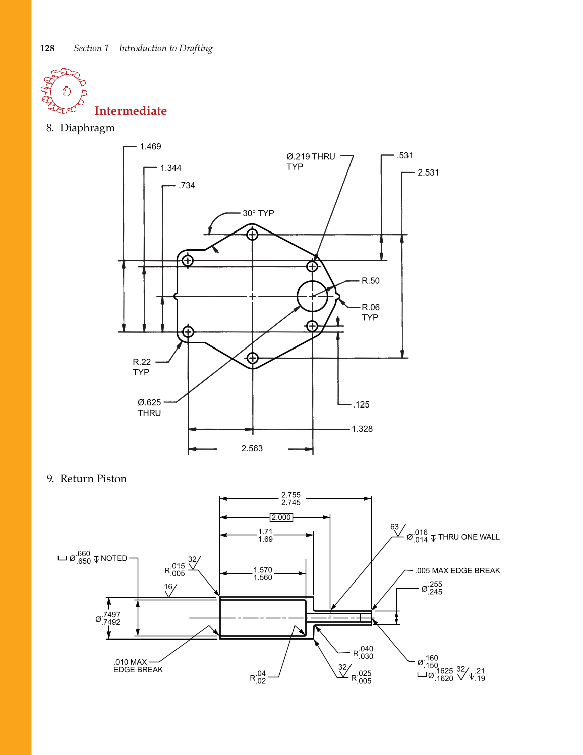
9. Return Piston
32
Ø.1620
.1625 .21
.19
Ø.650
.660
NOTED
Ø.014
.016
THRU ONE WALL
32
32
2.755
2.745
1.71
1.69
1.570
1.560
2.000
.005 MAX EDGE BREAK
63
16
.010 MAX
EDGE BREAK
R.005
.015
R.02
.04
R.030
.040
R.005
.025
Ø.7492
.7497
Ø.150
.160
Ø.245
.255
.531
2.531
R.50
R.06
TYP
R.22
TYP
Ø.625
THRU
Ø.219 THRU
TYP
1.469
1.344
.734
2.563
1.328
.125
30– TYP
Previous Page Next Page