Skip to content
My Bookshelf
Electricity, 10th Edition
Page
64
(
64
of
208
)
GO
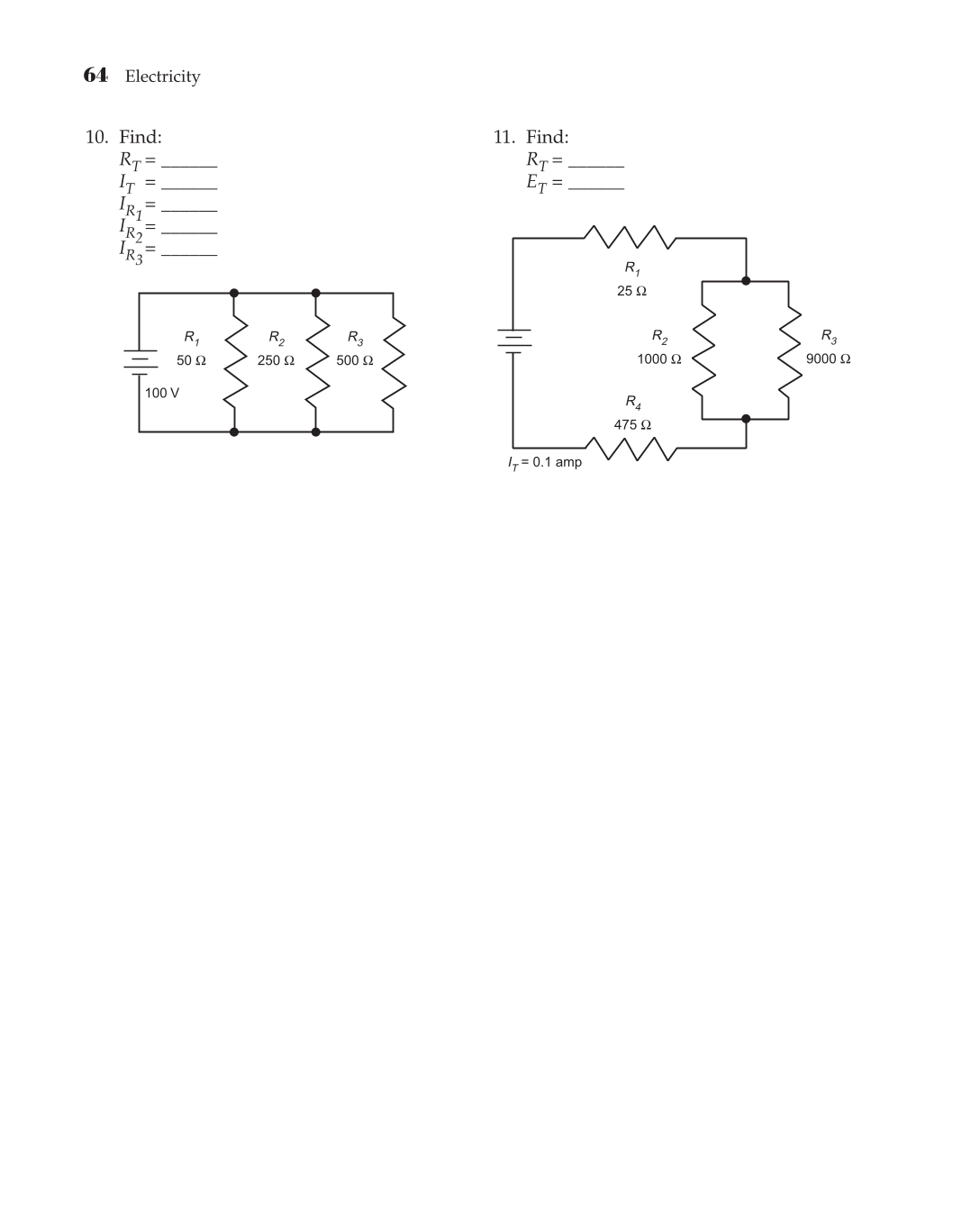
10.
Find:
RT
=
______
IT
=
______
IR1=
______
IR2=
______
IR3=
______
11.
Find:
RT
=
______
ET
=
______
64
Electricity
R1
50
Ω
R2
250
Ω
R3
500
Ω
100
V
R1
25
Ω
R2
1000
Ω
R3
9000
Ω
IT
=
0.1
amp
R4
475
Ω
Previous Page
Next Page
Help
Close
This book
Author, Example
Collection: Technical / Trades / Technology
Electricity / Electronics
All books
GO
Zoom In
Zoom Out
Contents
Extract
Help
Printable
Destination page number
Search scope
Search Text