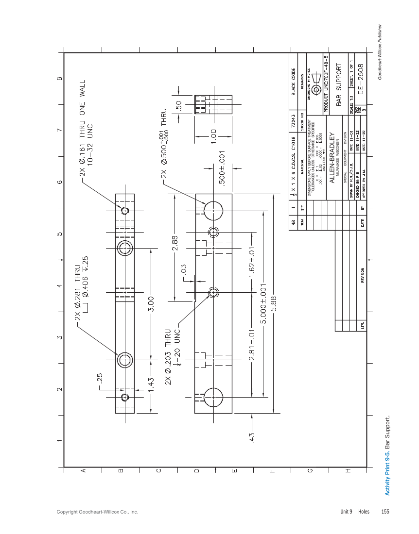
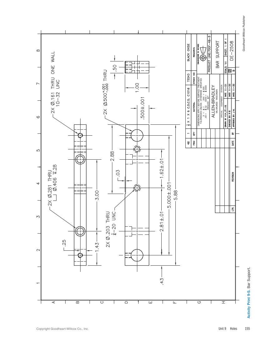
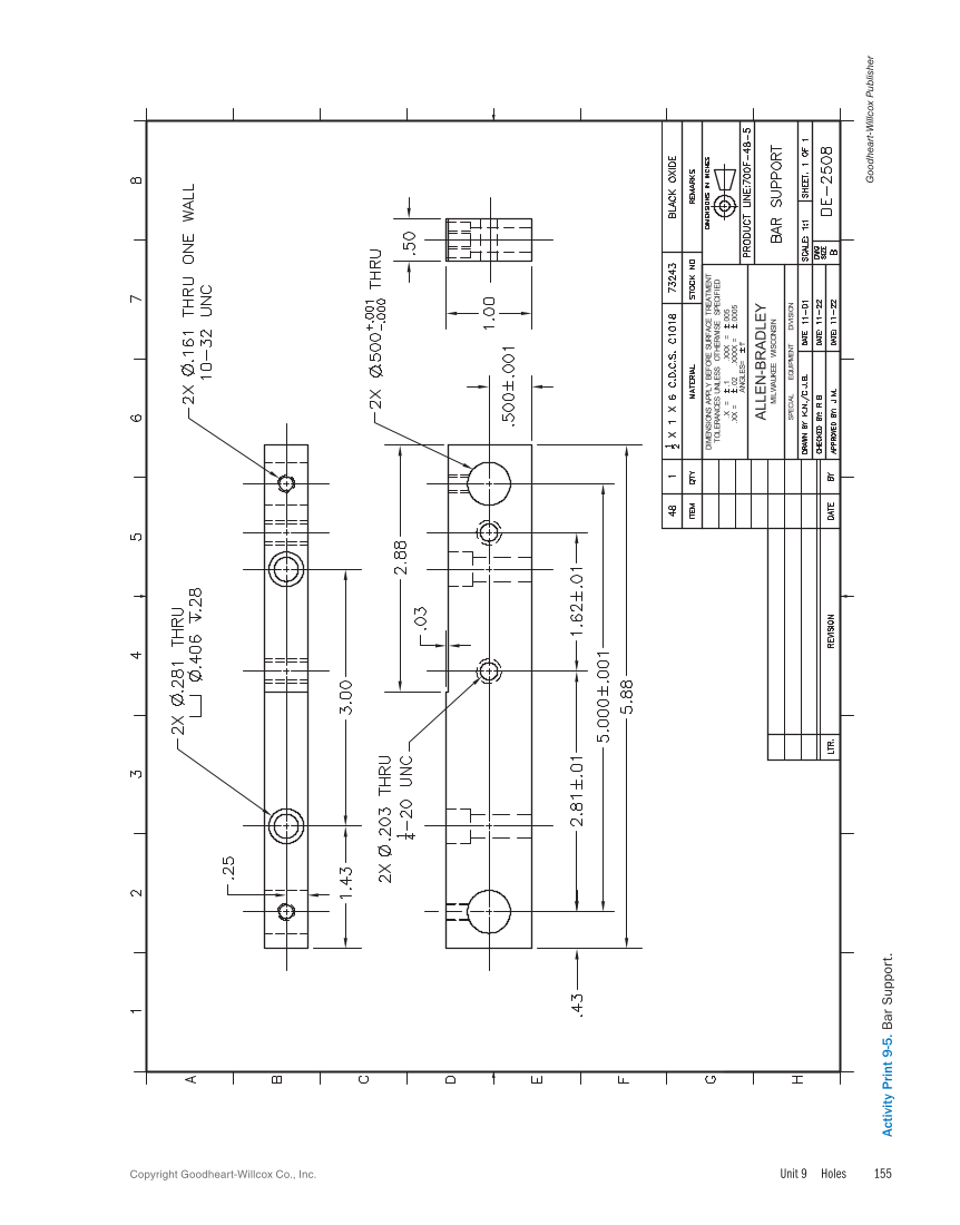
Unit 9 Holes 155 Copyright Goodheart-Willcox Co., Inc. ANGLES= .X = .1 .XX = .02 .XXX = . 005 .XXXX = .0005 SPECIAL EQUIPMENT DIVISION MILWAUKEE WISCONSIN ALLEN-BRADLEY DIMENSIONS APPLY BEFORESURFACE TREATMENT TOLERANCES UNLESS OTHERWISE SPECIFIED Goodheart-Willcox Publisher Activity Print 9‑ 5. Bar Support.
Previous Page Next Page