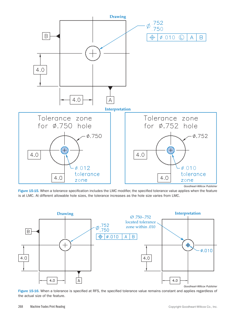
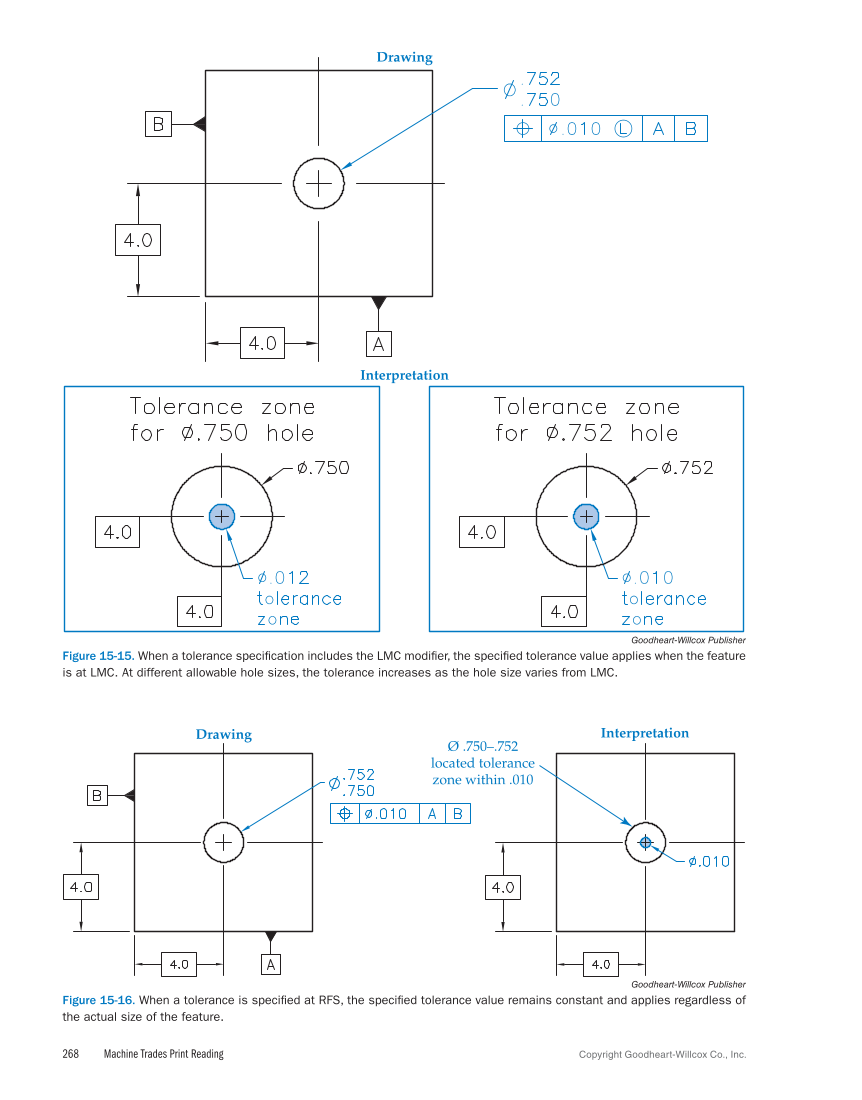
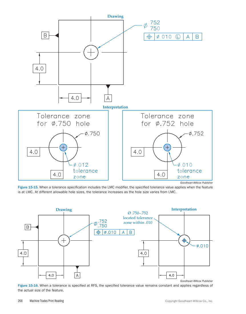
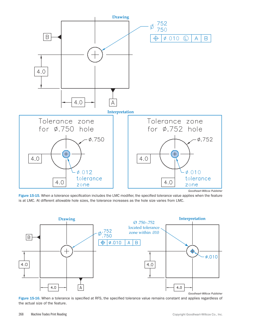
268 Machine Trades Print Reading Copyright Goodheart-Willcox Co., Inc. Drawing Interpretation Goodheart-Willcox Publisher Figure 15-15. When a tolerance specification includes the LMC modifier, the specified tolerance value applies when the feature is at LMC. At different allowable hole sizes, the tolerance increases as the hole size varies from LMC. Ø .750–.752 located tolerance zone within .010 Drawing Interpretation Goodheart-Willcox Publisher Figure 15-16. When a tolerance is specified at RFS, the specified tolerance value remains constant and applies regardless of the actual size of the feature.
Previous Page Next Page