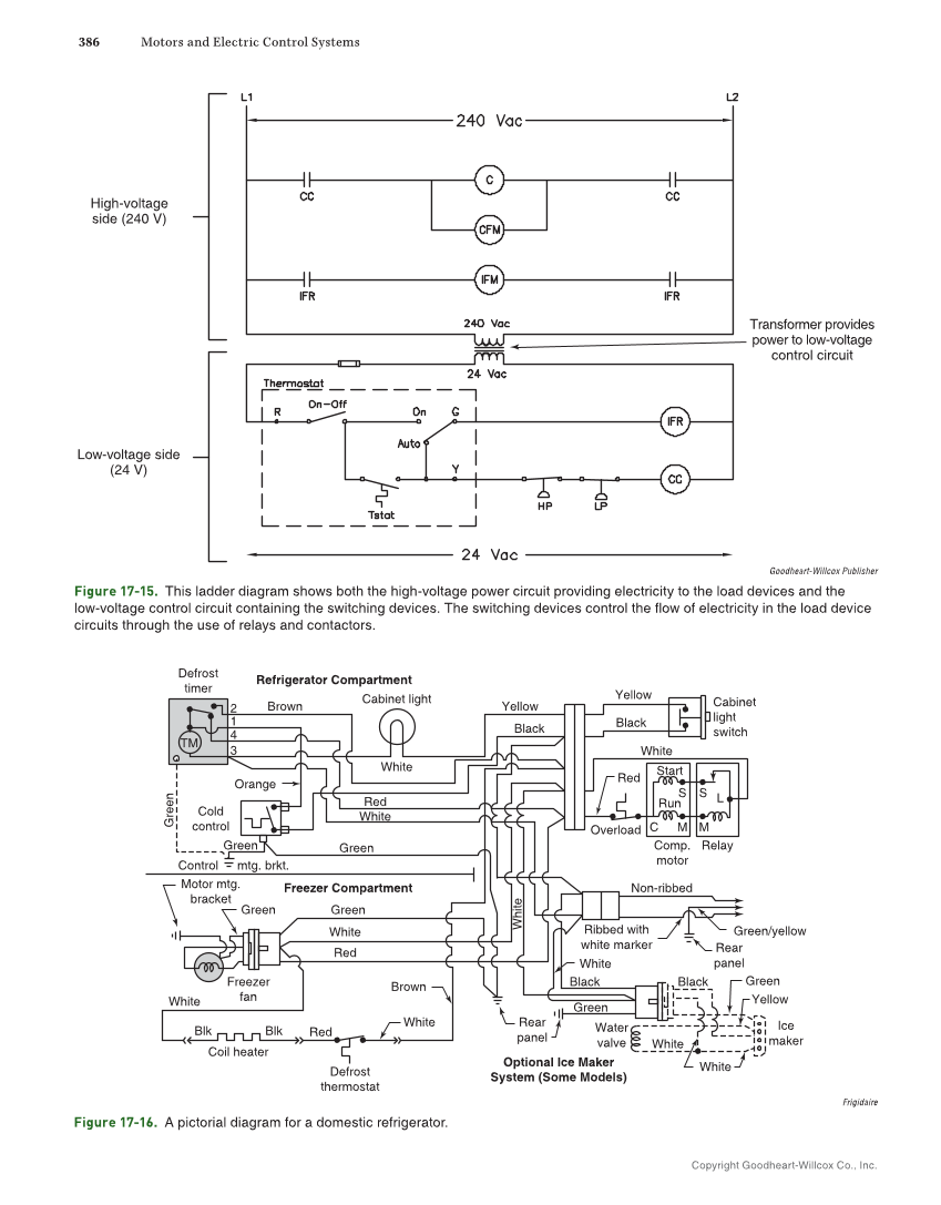
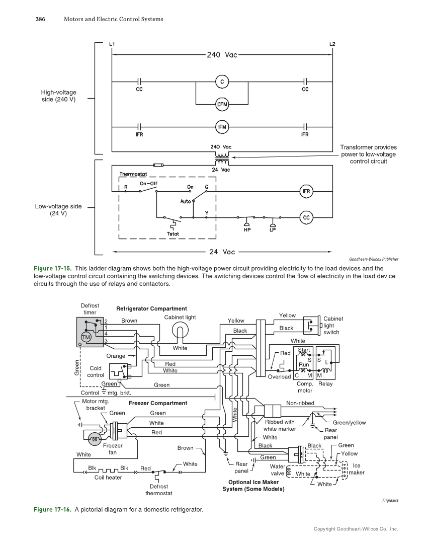
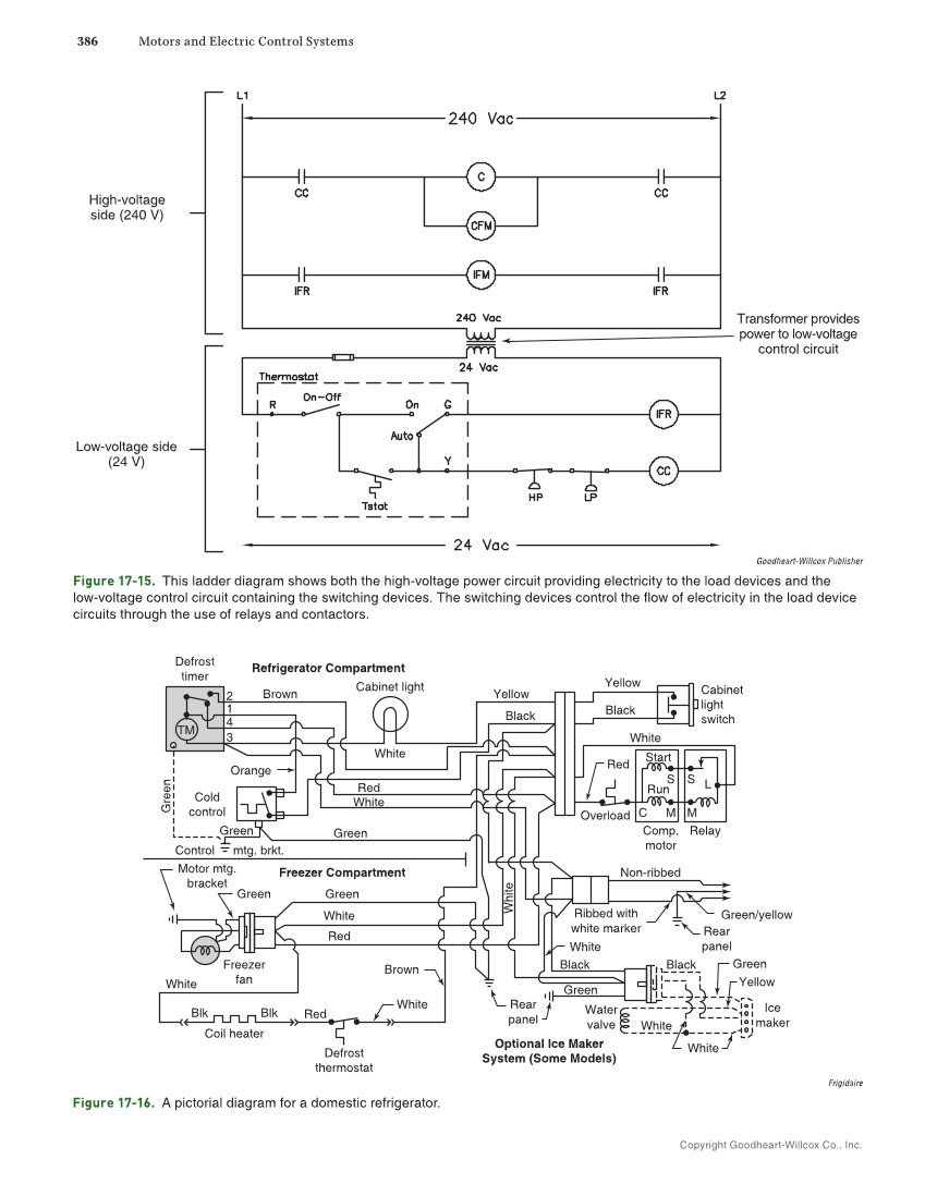
Copyright Goodheart-Willcox Co., Inc. 386 Motors and Electric Control Systems Goodheart-Willcox Publisher Figure 17-15. This ladder diagram shows both the high-voltage power circuit providing electricity to the load devices and the low-voltage control circuit containing the switching devices. The switching devices control the flow of electricity in the load device circuits through the use of relays and contactors. High-voltage side (240 V) Transformer provides power to low-voltage control circuit Low-voltage side (24 V) Frigidaire Figure 17-16. A pictorial diagram for a domestic refrigerator. Refrigerator Compartment Optional Ice Maker System (Some Models) Freezer Compartment Brown Brown Cabinet light White White Yellow Yellow Black Black Red Red Start Run C M M S L S Overload Comp. motor Relay Non-ribbed Green/yellow Rear panel Green Yellow Ice maker White Cabinet light switch Red Red Blk Blk Coil heater Defrost thermostat White White White Ribbed with white marker White White White Water valve Rear panel White Freezer fan Green Green Black Black Green Green Orange Cold control Control mtg. brkt. Motor mtg. bracket Green Green 2 4 3 TM 1 Defrost timer
Previous Page Next Page