Skip to content
My Bookshelf
Print Reading for Industry 11e, Online Textbook
Page
139
(
153
of
637
)
GO
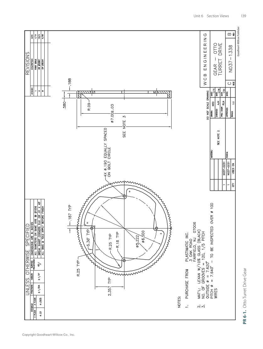
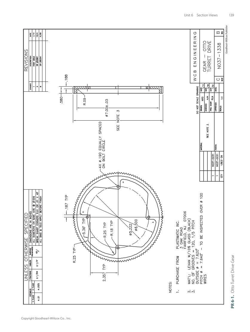
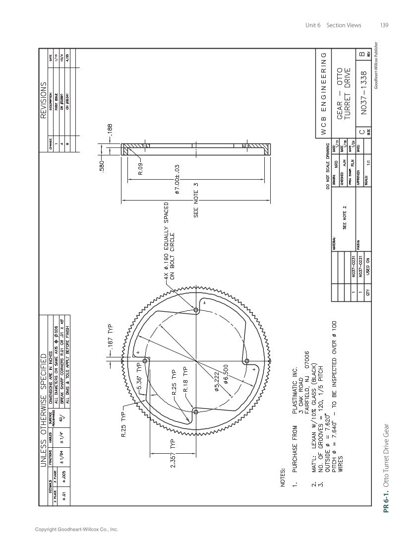
W
CB
E
NG
I
EE
RING
Goodheart-Willcox
Publisher
PR
6-
Otto
Turret
Drive
Gear
Copyright
Goodheart-Willcox
Co.,
Inc.
Unit
6
Section
Views
139
Previous Page
Next Page
Resources and Downloads
Help
Close
This book
All books
GO
Zoom In
Zoom Out
Contents
Resources
Extract
Help
Printable
Destination page number
Search scope
Search Text