Chapter  9  Electrical  Wiring  Diagram  Basics  205  
Copyright Goodheart-Willcox Co., Inc.
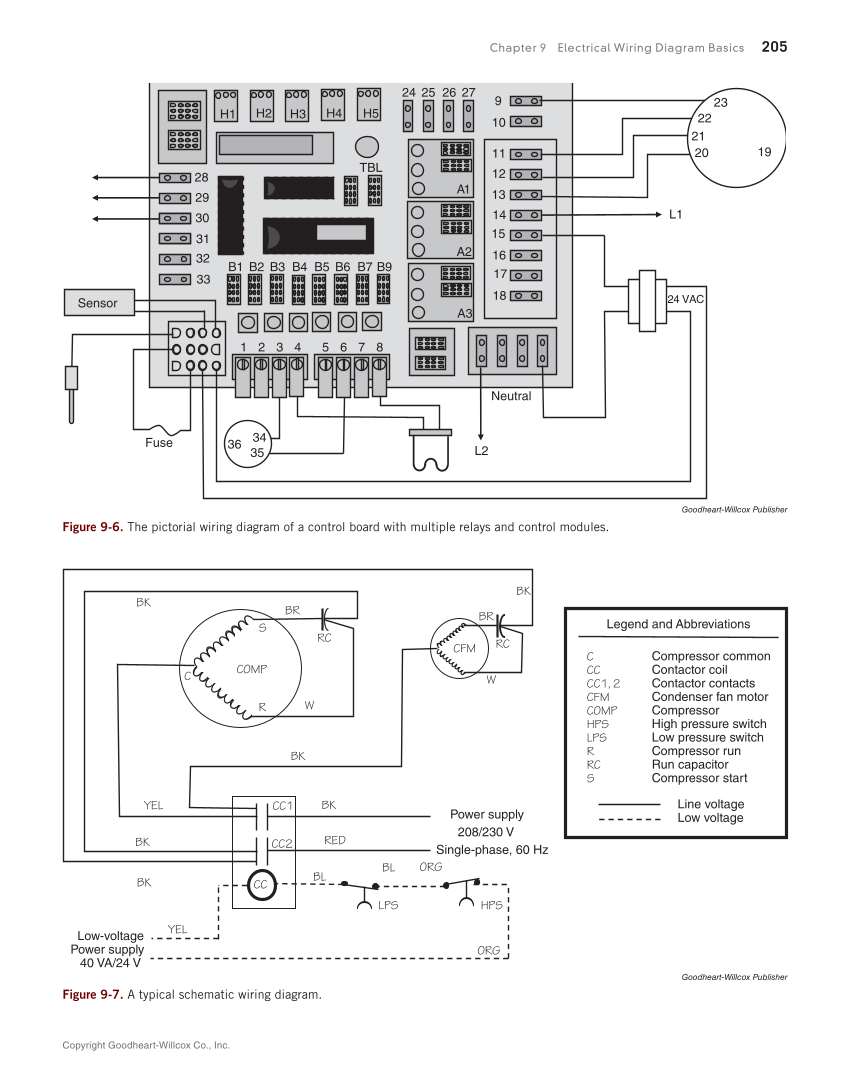
A1
TBL
23
22
21
20 19
9
10
11
12
13
Sensor
H1 H2 H3 H4 H5
1 2 3 4 5 6 7 8
14
15
16
17
18
24 25 26 27
L1
Neutral
28
29
30
31
32
33
Fuse
24 VAC
34
35
A2
A3
B1 B2 B3 B4 B5 B6 B7 B9
L2 36
Goodheart-Willcox Publisher
Figure 9-6. The pictorial wiring diagram of a control board with multiple relays and control modules.
C Compressor common
CC Contactor coil
CC1, 2 Contactor contacts
CFM Condenser fan motor
COMP Compressor
HPS High pressure switch
LPS Low pressure switch
R Compressor run
RC Run capacitor
S Compressor start
Line voltage
Low voltage
Legend and Abbreviations
Low-voltage
Power supply
40 VA/24 V
Power supply
208/230 V
Single-phase, 60 Hz
BK
RED
BR BR
W
W
BK
YEL
BK
BK
BK
BK
RC RC
C
R
S
YEL
BL
BL ORG
ORG
COMP
CFM
LPS
CC
CC1
CC2
HPS
Goodheart-Willcox Publisher
Figure 9-7. A typical schematic wiring diagram.
Copyright Goodheart-Willcox Co., Inc.
A1
TBL
23
22
21
20 19
9
10
11
12
13
Sensor
H1 H2 H3 H4 H5
1 2 3 4 5 6 7 8
14
15
16
17
18
24 25 26 27
L1
Neutral
28
29
30
31
32
33
Fuse
24 VAC
34
35
A2
A3
B1 B2 B3 B4 B5 B6 B7 B9
L2 36
Goodheart-Willcox Publisher
Figure 9-6. The pictorial wiring diagram of a control board with multiple relays and control modules.
C Compressor common
CC Contactor coil
CC1, 2 Contactor contacts
CFM Condenser fan motor
COMP Compressor
HPS High pressure switch
LPS Low pressure switch
R Compressor run
RC Run capacitor
S Compressor start
Line voltage
Low voltage
Legend and Abbreviations
Low-voltage
Power supply
40 VA/24 V
Power supply
208/230 V
Single-phase, 60 Hz
BK
RED
BR BR
W
W
BK
YEL
BK
BK
BK
BK
RC RC
C
R
S
YEL
BL
BL ORG
ORG
COMP
CFM
LPS
CC
CC1
CC2
HPS
Goodheart-Willcox Publisher
Figure 9-7. A typical schematic wiring diagram.
