210 Print Reading for HVACR
Copyright Goodheart-Willcox Co., Inc.
B
R1
R1
R2
R2
R3
R3
L1
N
SW
A
R1
R1
R2
R2
R3
R3
L1
N
SW
L1 N L1 N
R1
SW
R2
R3
R3
Bulb
C D
R1
R2
Goodheart-Willcox Publisher
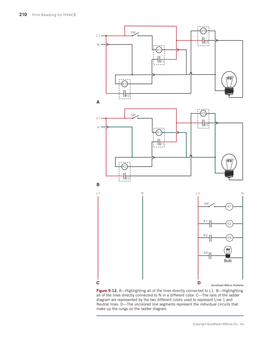
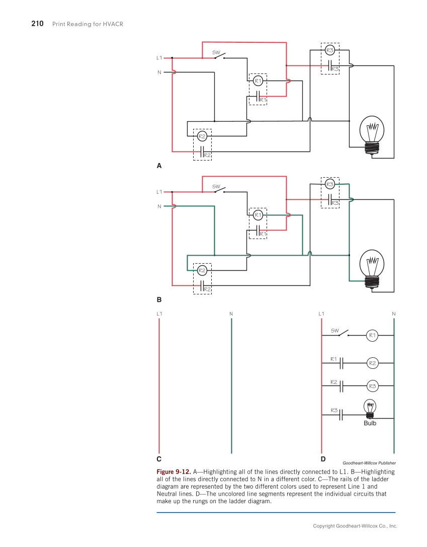
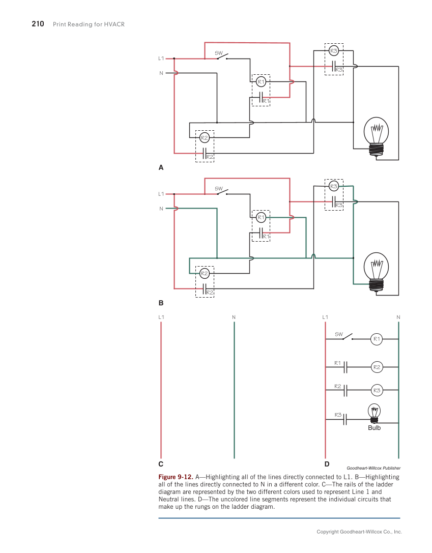
Figure 9-12. A—Highlighting all of the lines directly connected to L1. B—Highlighting
all of the lines directly connected to N in a different color. C—The rails of the ladder
diagram are represented by the two different colors used to represent Line 1 and
Neutral lines. D—The uncolored line segments represent the individual circuits that
make up the rungs on the ladder diagram.
Copyright Goodheart-Willcox Co., Inc.
B
R1
R1
R2
R2
R3
R3
L1
N
SW
A
R1
R1
R2
R2
R3
R3
L1
N
SW
L1 N L1 N
R1
SW
R2
R3
R3
Bulb
C D
R1
R2
Goodheart-Willcox Publisher
Figure 9-12. A—Highlighting all of the lines directly connected to L1. B—Highlighting
all of the lines directly connected to N in a different color. C—The rails of the ladder
diagram are represented by the two different colors used to represent Line 1 and
Neutral lines. D—The uncolored line segments represent the individual circuits that
make up the rungs on the ladder diagram.