Skip to content
My Bookshelf
Welding Print Reading, 6th Edition
Page
217
(
217
of
384
)
GO
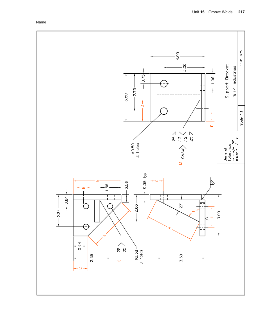
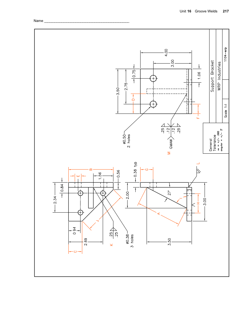
Unit
16
Groove
Welds
217
Name
_________________________________________________
Previous Page
Next Page
Resources and Downloads
Help
Close
This book
Author, Example
Collection: Technical / Trades / Technology
Welding
All books
GO
Zoom In
Zoom Out
Contents
Resources
Extract
Help
Printable
Destination page number
Search scope
Search Text