Drawing
Problems
-
Chapter
11
Chapter 11 Modifying Objects
325
Copyright Goodheart-Willcox Co., Inc.
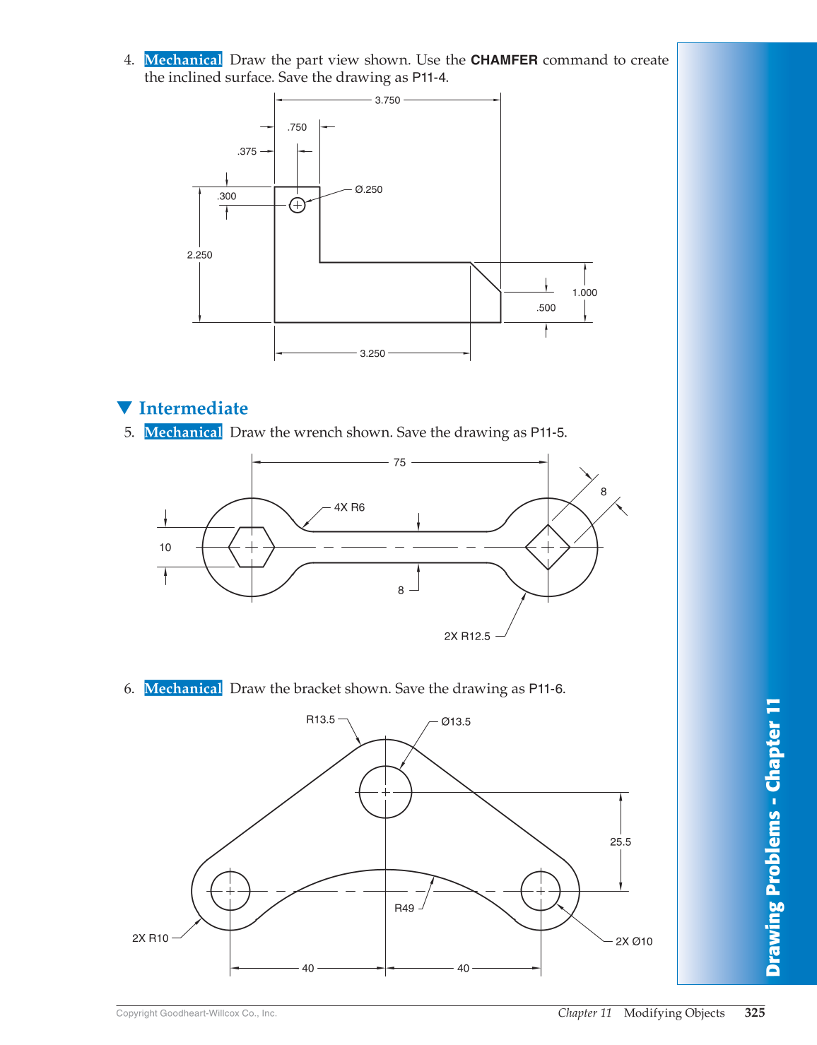
4. Mechanical Draw the part view shown. Use the
CHAMFER
command to create
the inclined surface. Save the drawing as P11-4.
.500
1.000
Ø.250
.375
.750
3.750
.300
2.250
3.250
Intermediate
5. Mechanical Draw the wrench shown. Save the drawing as P11-5.
8
4X R6
10
75
8
2X R12.5
6. Mechanical Draw the bracket shown. Save the drawing as P11-6.
Ø13.5
2X Ø10
25.5
40 40
R13.5
2X R10
R49
Previous Page Next Page