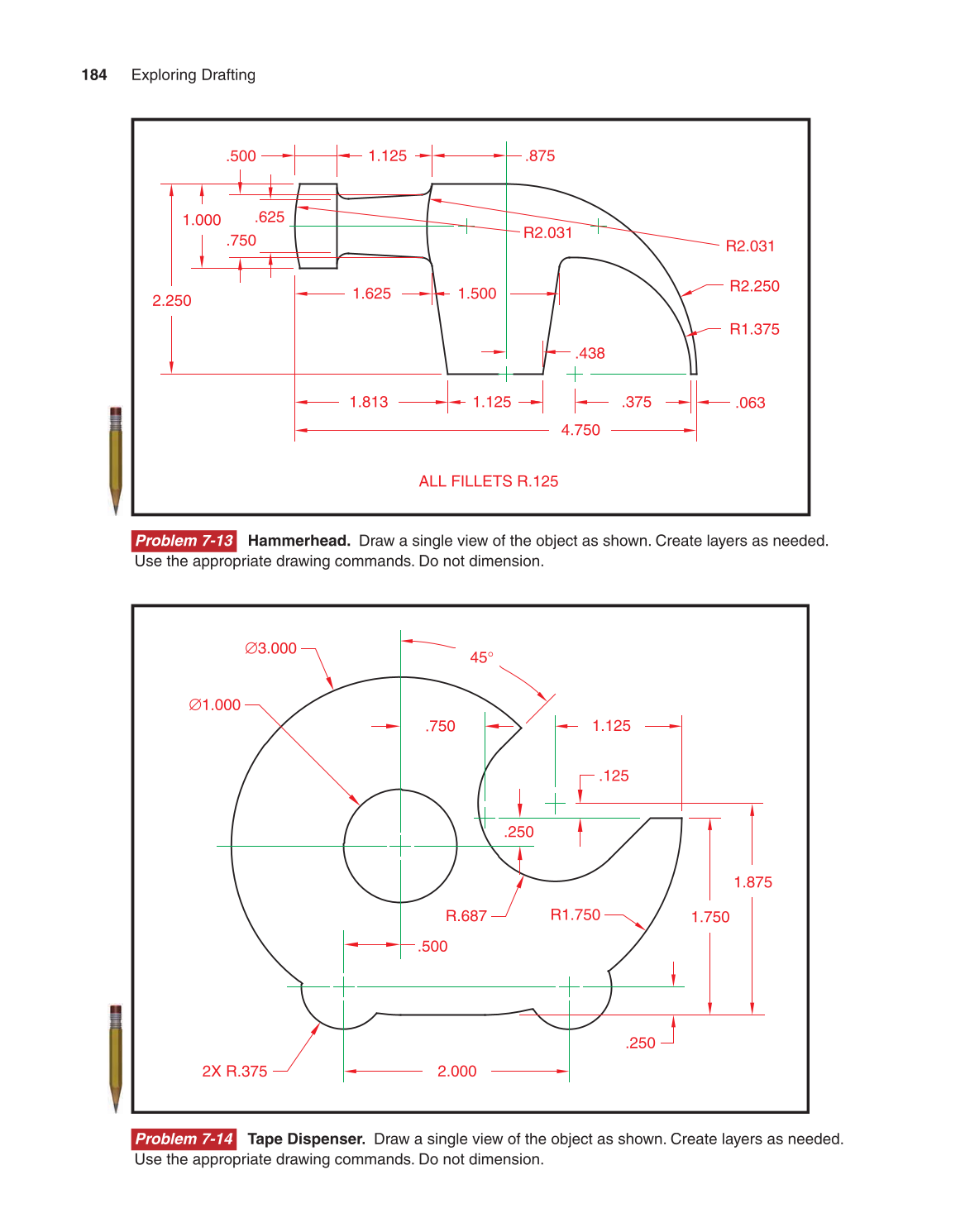
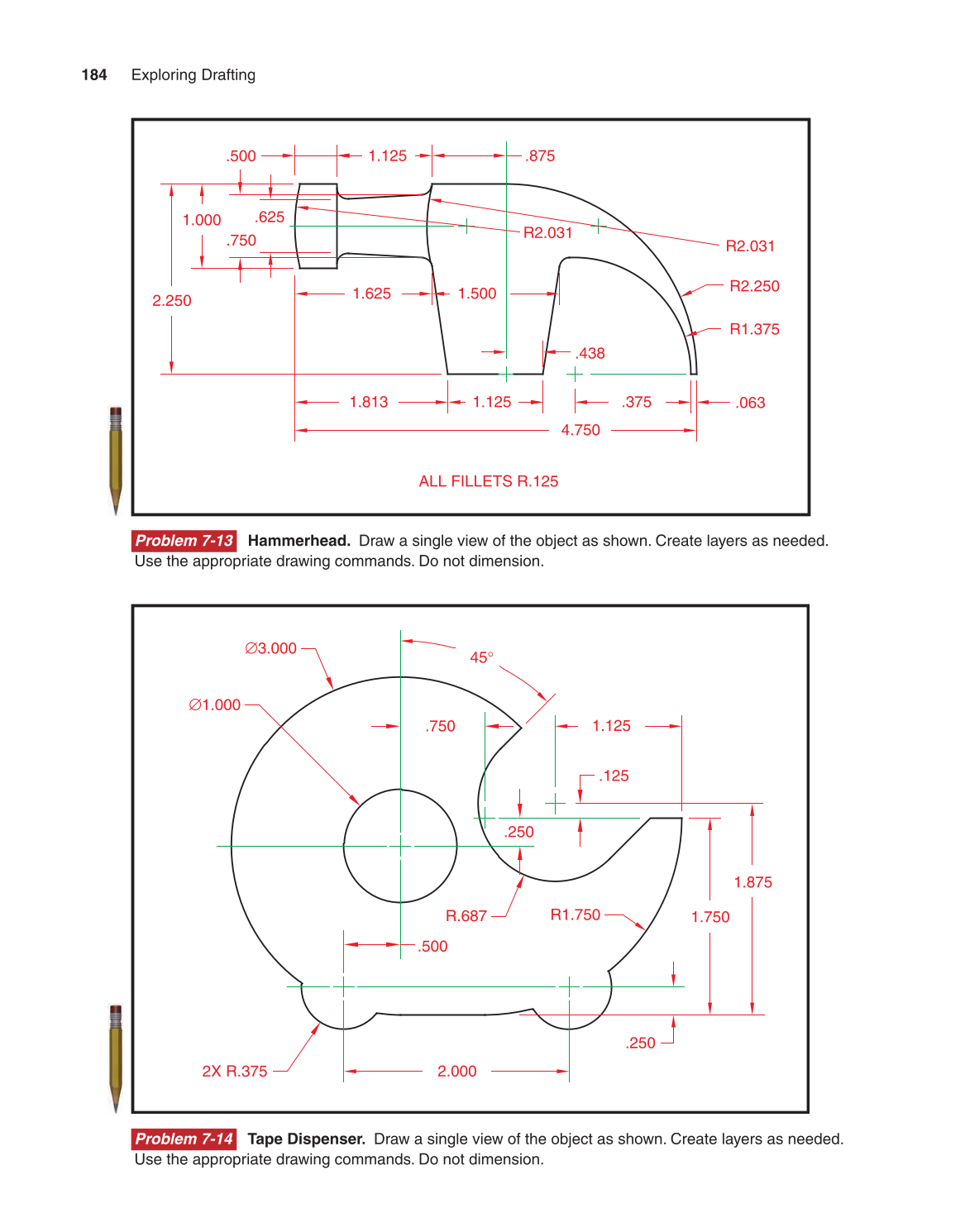
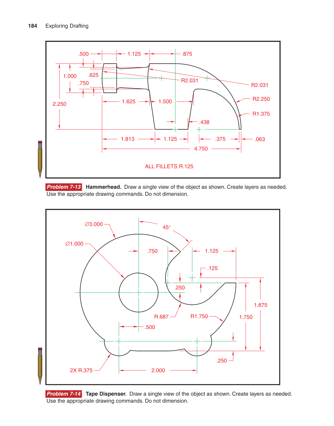
184 Exploring Drafting
ALL FILLETS R.125
2.250
1.000
.500
.750
.625
1.125 .875
R2.031
1.500 1.625
1.813 1.125 .375
.438
.063
R2.031
R2.250
R1.375
4.750
Problem 7-13 Hammerhead. Draw a single view of the object as shown. Create layers as needed.
Use the appropriate drawing commands. Do not dimension.
45°
∅3.000
∅1.000
.750 1.125
.125
.250
R1.750 R.687
.500
1.875
1.750
.250
2.000 2X R.375
Problem 7-14 Tape Dispenser. Draw a single view of the object as shown. Create layers as needed.
Use the appropriate drawing commands. Do not dimension.
Previous Page Next Page