Skip to content
My Bookshelf
Print Reading for Industry, 10th Edition
Page
195
(
211
of
588
)
GO
Unit
9
Dimensioning
195
Copyright
Goodheart-Willcox
Co.,
Inc.
Print
supplied
by
Hydro-Gear
PR
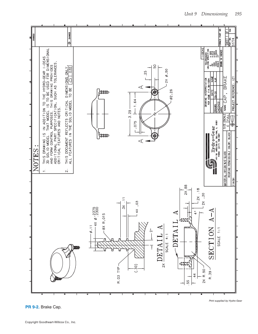
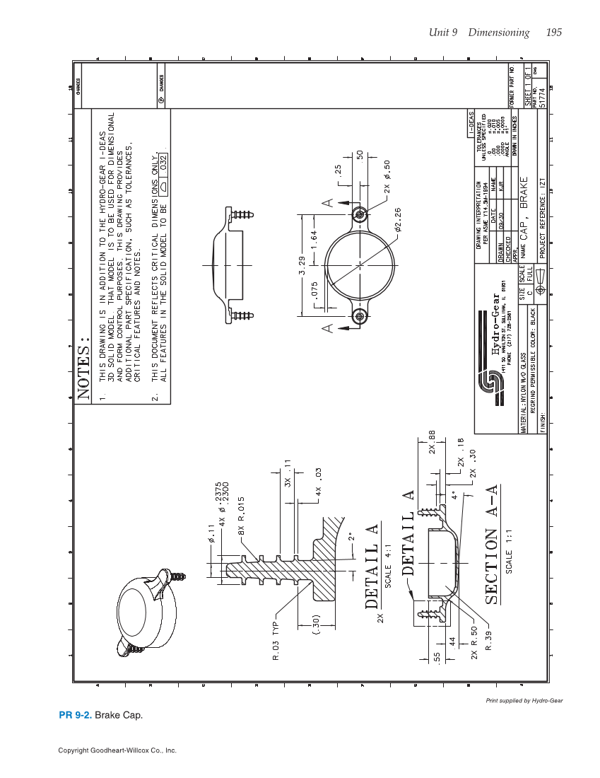
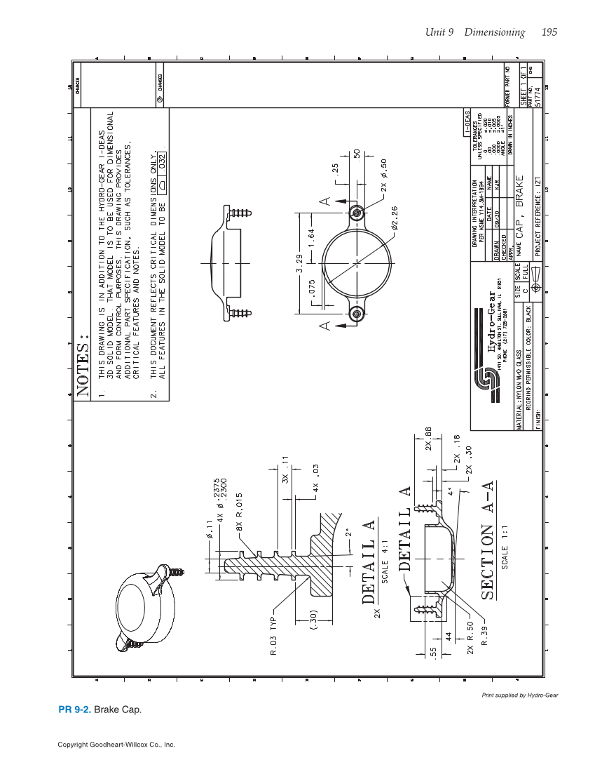
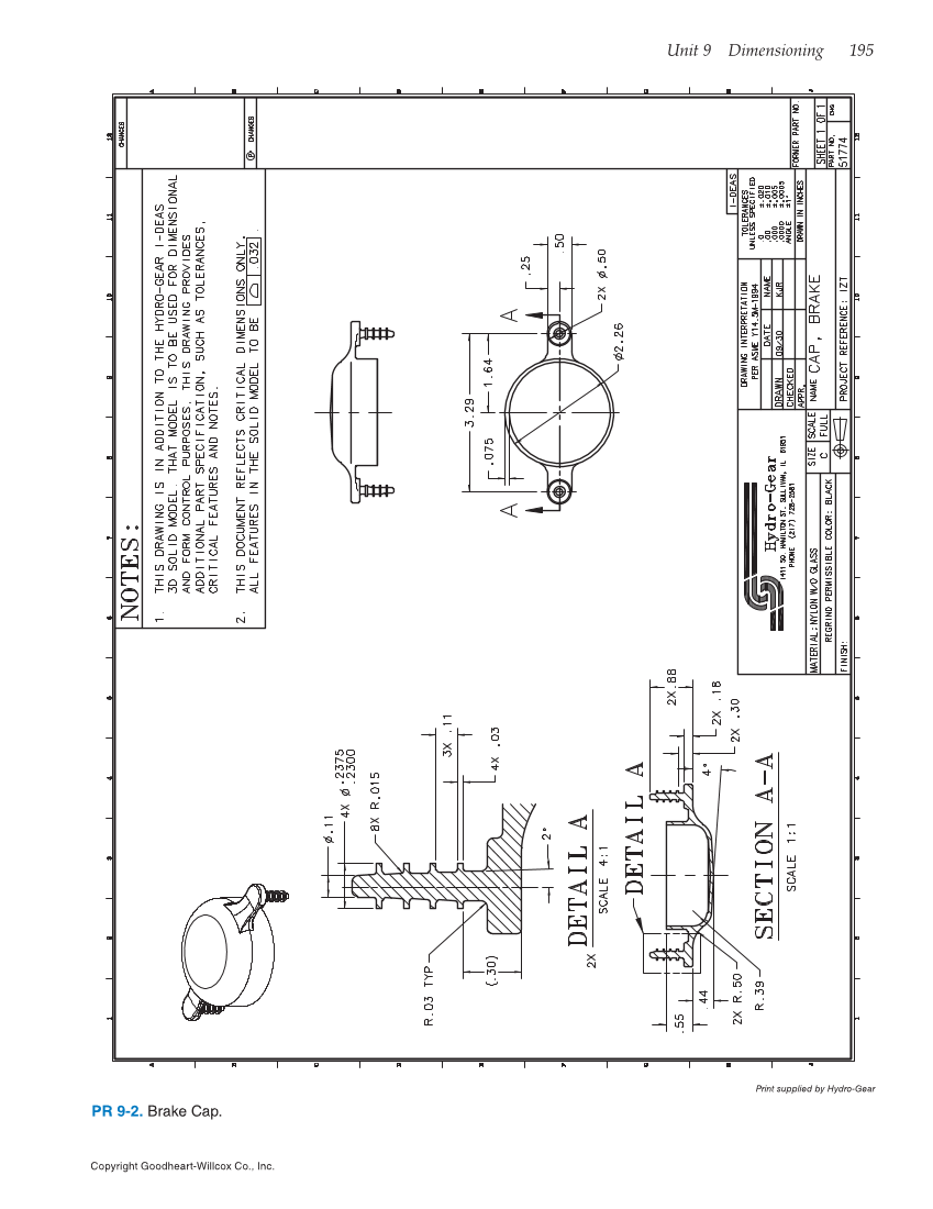
9-2.
Brake
Cap.
Previous Page
Next Page
Resources and Downloads
Help
Close
This book
Author, Example
Collection: Technical / Trades / Technology
All books
GO
Zoom In
Zoom Out
Contents
Resources
Extract
Help
Printable
Destination page number
Search scope
Search Text