Skip to content
My Bookshelf
Print Reading for Industry 11e, Online Textbook
Page
31
(
45
of
637
)
GO
Print
supplied
by
BC
Design
and
Associates.
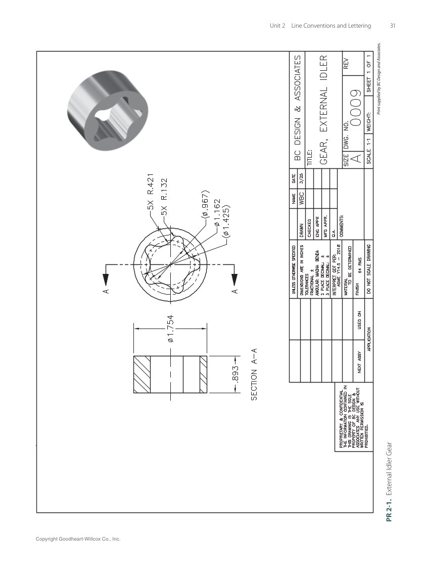
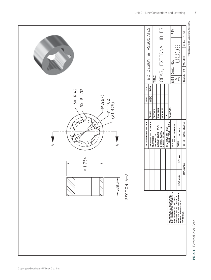
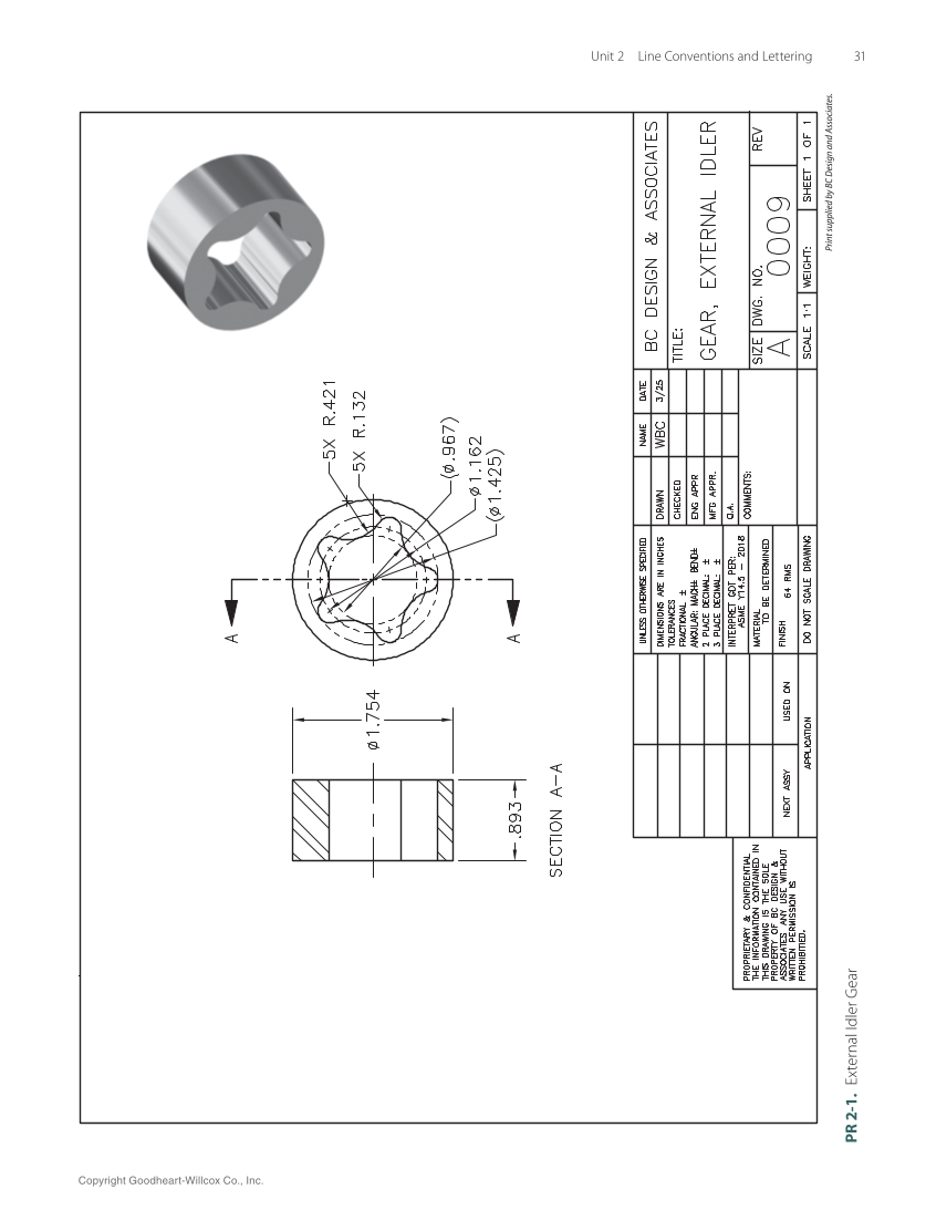
PR
2-
External
Idler
Gear
Copyright
Goodheart-Willcox
Co.,
Inc.
Unit
2
Line
Conventions
and
Lettering
31
Previous Page
Next Page
Resources and Downloads
Help
Close
This book
All books
GO
Zoom In
Zoom Out
Contents
Resources
Extract
Help
Printable
Destination page number
Search scope
Search Text