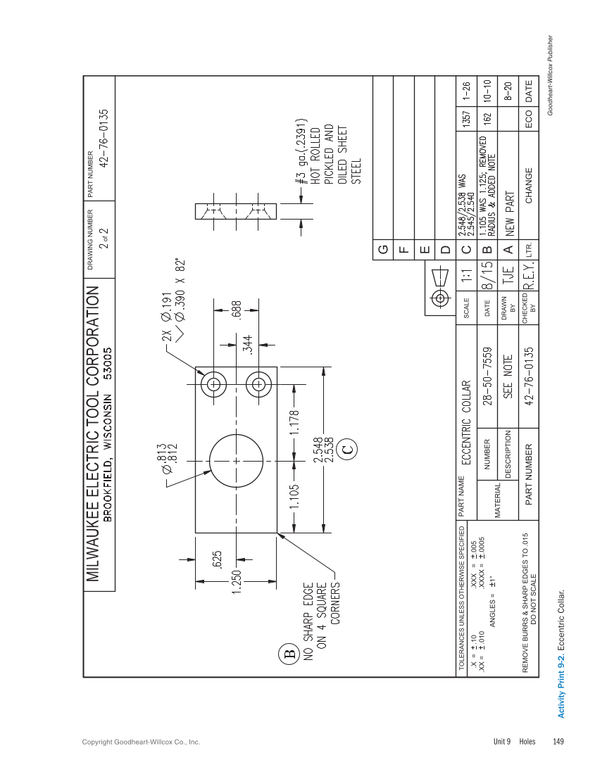
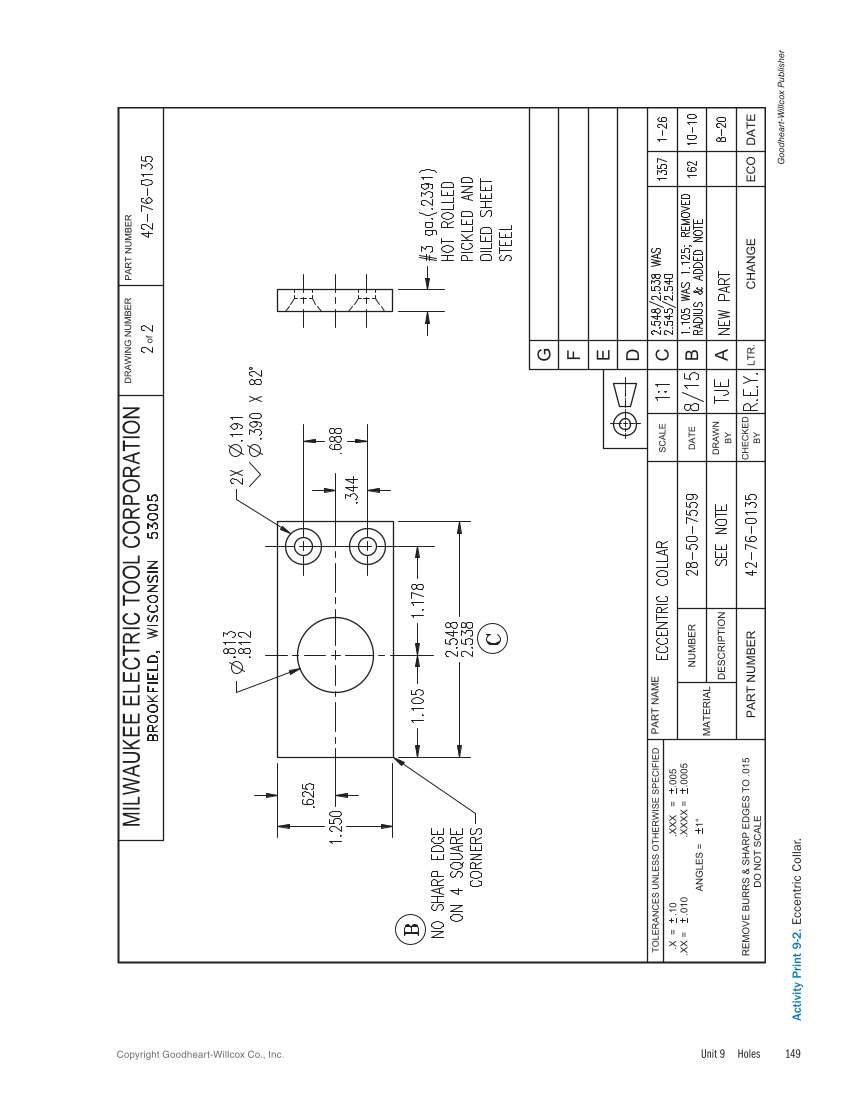
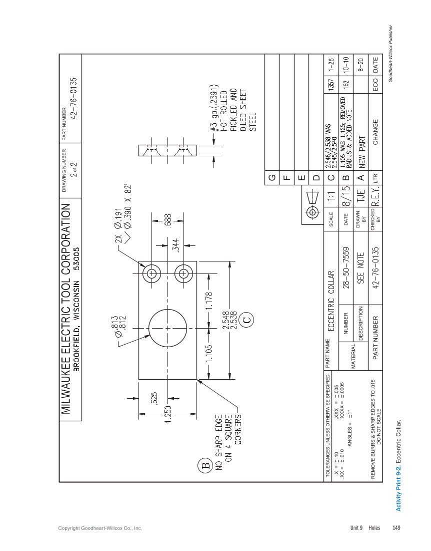
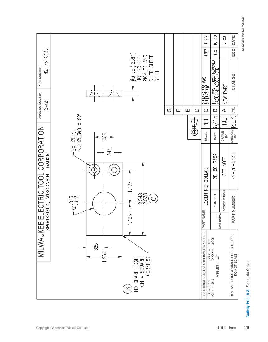
Unit 9 Holes 149 Copyright Goodheart-Willcox Co., Inc. MATERIAL DRAWN CHECKED MILWAUKEE ELECTRIC TOOL CORPORATION PART NAME DATE SCALE BY BY CHANGE A LTR. B C DATE NUMBER DESCRIPTION PART NUMBER TOLERANCES UNLESS OTHERWISE SPECIFIED .X = .10 .XX = .010 DO NOT SCALE REMOVE BURRS & SHARP EDGES TO .015 ANGLES = PART NUMBER DRAWING NUMBER of ECO D E F G .XXXX = .0005 .XXX = .005 Goodheart-Willcox Publisher Activity Print 9‑ 2. Eccentric Collar.
Previous Page Next Page